Запчасти Komatsu WA420-3 ЗАДН. РАМА (МОРОЗОУСТОЙЧИВ. СПЕЦИФИКАЦИЯ.)(№-) РАМА И ЧАСТИ КОРПУСА

Схема запчастей Komatsu WA420-3 - ЗАДН. РАМА (МОРОЗОУСТОЙЧИВ. СПЕЦИФИКАЦИЯ.)(№-) РАМА И ЧАСТИ КОРПУСА
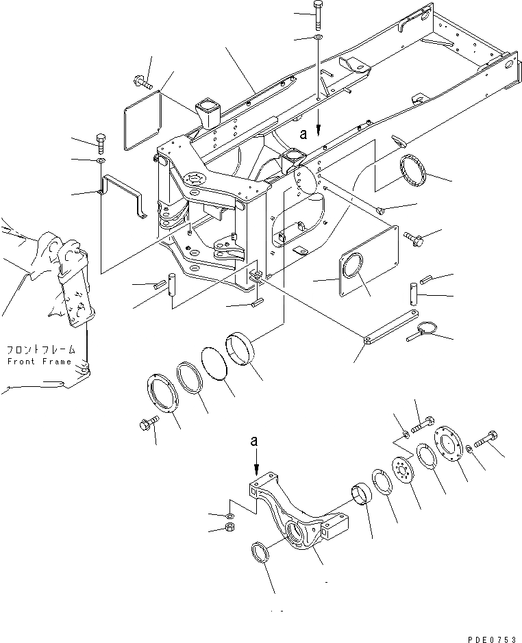
1
2
3
4
5
6
7
8
9
10
11
12
12
13
14
15
16
17
18
19
19
20
21
22
23
24
24
25
26
26
27
27
28
29
30
31
32
33
FIT
1:1
100%

Артикул

Название

Примечание

Количество

1

424-Z91-2130

FRAME,REAR

SN: 50001-UP

1шт.

1

427-04-11130

PLATE (WELDED)

SN: 50001-UP

1шт.

1

566-54-11790

BOSS (WELDED)

SN: 50001-UP

1шт.

1

01573-20205

SEAT (WELDED)

SN: 50001-UP

1шт.

2

424-46-12162

BUSHING,FRONT

SN: 50001-UP

1шт.

3

421-46-15121

PACKING

SN: 50001-UP

1шт.

4

424-46-12310

RETAINER

SN: 50001-UP

1шт.

5

421-46-15112

PACKING

SN: 50001-UP

1шт.

6

07000-05305

O-RING

SN: 50001-UP

1шт.

7

01435-01235

BOLT

SN: 50001-UP

6шт.

8

424-46-12156

SUPPORT,REAR

SN: 50001-UP

1шт.

9

424-46-12172

BUSHING

SN: 50001-UP

1шт.

10

421-46-15132

PACKING

SN: 50001-UP

1шт.

11

424-46-12221

PLATE,THRUST

SN: 50001-UP

1шт.

12

424-46-12182

WASHER,THRUST

SN: 50001-UP

2шт.

13

01010-61665

BOLT

SN: 50001-UP

8шт.

14

01643-31645

WASHER

SN: 50001-UP

8шт.

15

424-46-12191

COVER

SN: 50001-UP

1шт.

16

01010-61665

BOLT

SN: 50001-UP

8шт.

17

01643-31645

WASHER

SN: 50001-UP

8шт.

18

01011-62790

BOLT

SN: 50001-UP

4шт.

19

01643-32780

WASHER

SN: 50001-UP

8шт.

20

01580-02722

NUT

SN: 50001-UP

4шт.

21

424-46-24110

COVER,L.H.

SN: 50001-UP

1шт.

22

421-46-24110

FINISHER

SN: 50001-UP

1шт.

23

423-46-24120

COVER,R.H.

SN: 50001-UP

1шт.

24

01435-01220

BOLT

SN: 50001-UP

8шт.

25

421-46-12920

BAR,LOCK

SN: 50001-UP

1шт.

26

421-46-12721

PIN

SN: 50001-UP

2шт.

27

04025-01065

PIN,SPRING

SN: 50001-UP

1шт.

28

04025-01065

PIN,SPRING

SN: 50001-UP

1шт.

29

421-46-12740

PIN,LINCH

SN: 50001-UP

1шт.

30

421-46-22860

GUARD

SN: 50001-UP

1шт.

31

01010-51635

BOLT

SN: 50001-UP

2шт.

32

01643-31645

WASHER

SN: 50001-UP

2шт.

33

07049-03342

PLUG

SN: 50001-UP

8шт.

Выбрано товаров: 36