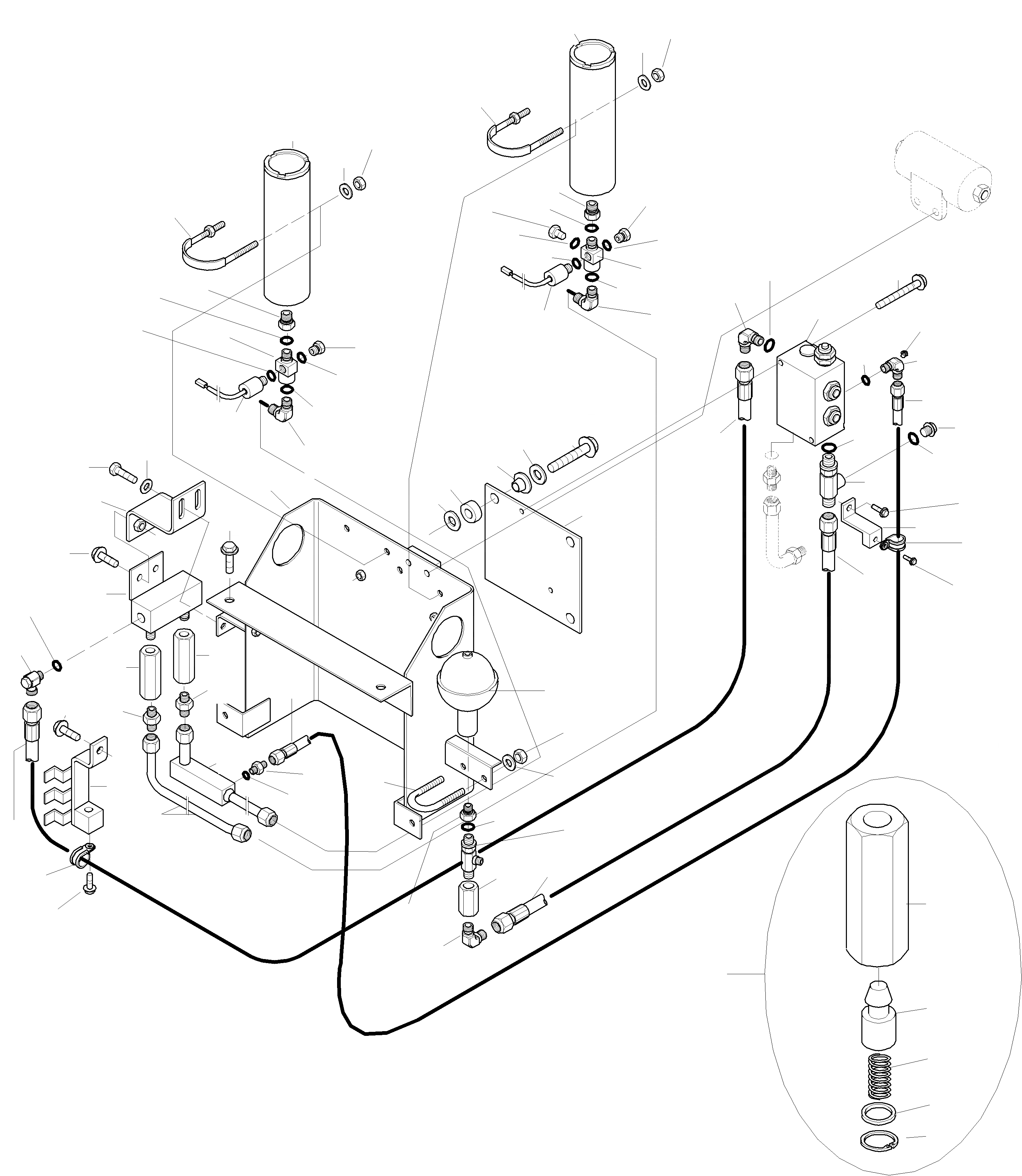
Запчасти Komatsu WA420-3 PRESSURE БАК, ТРУБЫS ДЛЯ ШАССИ NO.WAH 7 - 9 ТОРМОЗ. СИСТЕМА

Схема запчастей Komatsu WA420-3 - PRESSURE БАК, ТРУБЫS ДЛЯ ШАССИ NO.WAH 7 - 9 ТОРМОЗ. СИСТЕМА
59
66
63
62
46
16
19
20
56
31
16
17
17
15
1
2
3
4
5
6
7
8
7
9
10
11
11
12
12
13
13
14
14
16
15
18
18
21
21
19
16
22
22
23
24
25
25
26
26
26
27
28
29
30
26
32
33
21
34
35
36
37
38
39
40
42
44
36
47
48
49
45
50
52
53
54
55
57
58
59
60
61
64
65
67
20
20
41
45
43
51
FIT
1:1
100%

Артикул

Название

Примечание

Количество

1

421-43-H7111

MOUNTING

DeutschDesc: HALTERUNG

1шт.

2

01435-01225

SCREW

DeutschDesc: SCHRAUBE

4шт.

3

421-43-H7170

BRACKET

DeutschDesc: HALTER

1шт.

4

01643-31032

PLAIN WASHER

DeutschDesc: UNTERLEGSCHEIBE

2шт.

5

01010-51025

SCREW

DeutschDesc: SCHRAUBE

2шт.

6

421-43-22860

BRACKET

DeutschDesc: HALTER

1шт.

7

175-54-34170

DISC

DeutschDesc: SCHEIBE

6шт.

8

421-62-23710

DISC

DeutschDesc: SCHEIBE

3шт.

9

421-62-18550

DAMPER

DeutschDesc: DAEMPFER

3шт.

10

01435-01040

SCREW

DeutschDesc: SCHRAUBE

3шт.

11

721-07-H1110

PRESSURE TANK

DeutschDesc: DRUCKSPEICHER

2шт.

|$68

PRESSURE TANK

DeutschDesc: DRUCKSPEICHER

-3шт.

12

421-43-22360

CLIP

DeutschDesc: SCHELLE

4шт.

13

01643-31232

PLAIN WASHER

DeutschDesc: UNTERLEGSCHEIBE

8шт.

14

421-40-12440

NUT

DeutschDesc: MUTTER

8шт.

15

421-62-H3461

ADAPTOR

DeutschDesc: ADAPTER

2шт.

16

07002-02034

O-RING

DeutschDesc: O-RING

4шт.

17

421-43-22371

STUD

DeutschDesc: STUTZEN

2шт.

18

421-43-22910

PRESSURE SWITCH

DeutschDesc: DRUCKSCHALTER

2шт.

19

07002-11423

O-RING

DeutschDesc: O-RING

2шт.

20

07040-11409

PLUG

DeutschDesc: VERSCHLUSSSTOPFEN

4шт.

21

07002-01423

O-RING

DeutschDesc: O-RING

4шт.

22

421-09-12760

ELBOW NIPPLE

DeutschDesc: WINKELSTUTZEN

2шт.

23

421-43-22650

PIPE

DeutschDesc: ROHRLEITUNG

1шт.

24

421-43-22640

PIPE

DeutschDesc: ROHRLEITUNG

1шт.

25

421-09-12730

STUD

DeutschDesc: STUTZEN

2шт.

26

421-43-22951

CHECK VALVE

DeutschDesc: RUECKSCHLAGVENTIL

3шт.

27

419-43-27571

HOUSING

DeutschDesc: GEHAEUSE

1шт.

28

419-43-27580

VALVE

DeutschDesc: VENTIL

1шт.

29

419-43-27590

COMPRESSION SPRING

DeutschDesc: DRUCKFEDER

1шт.

30

205-60-51420

SEAL

DeutschDesc: DICHTRING

1шт.

31

04065-01410

CIRCLIP

DeutschDesc: SICHERUNGSRING

1шт.

32

421-43-22330

ADAPTOR

DeutschDesc: ADAPTER

1шт.

33

01435-01025

SCREW

DeutschDesc: SCHRAUBE

2шт.

34

07002-02034

O-RING

DeutschDesc: O-RING

1шт.

35

07235-10315

ELBOW NIPPLE

DeutschDesc: WINKELSTUTZEN

1шт.

36

07108-20306

HOSE ASSEMBLY

DeutschDesc: SCHLAUCH VOLLST.

1шт.

37

421-43-22880

BRACKET

DeutschDesc: HALTER

1шт.

38

01435-01016

SCREW

DeutschDesc: SCHRAUBE

1шт.

39

04434-51610

CLIP

DeutschDesc: SCHELLE

1шт.

40

01435-01016

SCREW

DeutschDesc: SCHRAUBE

1шт.

41

20Y-970-1731

ELBOW NIPPLE

DeutschDesc: WINKELSTUTZEN

1шт.

42

07002-01423

O-RING

DeutschDesc: O-RING

1шт.

43

07002-01423

O-RING

DeutschDesc: O-RING

1шт.

44

07230-20210

STUD

DeutschDesc: STUTZEN

1шт.

45

07108-20206

HOSE ASSEMBLY

DeutschDesc: SCHLAUCH VOLLST.

1шт.

46

421-43-22890

BRACKET

DeutschDesc: HALTER

1шт.

47

01435-01016

SCREW

DeutschDesc: SCHRAUBE

1шт.

48

04434-51510

CLIP

DeutschDesc: SCHELLE

1шт.

49

01435-01016

SCREW

DeutschDesc: SCHRAUBE

1шт.

50

07235-10210

ELBOW NIPPLE

DeutschDesc: WINKELSTUTZEN

1шт.

51

07043-30108

PLUG

DeutschDesc: VERSCHLUSSSTOPFEN

1шт.

52

07002-01423

O-RING

DeutschDesc: O-RING

1шт.

53

419-43-27401

PRESSURE REGULATOR

DeutschDesc: DRUCKREGLER

1шт.

|$69

PRESSURE REGULATOR

DeutschDesc: DRUCKREGLER

-3шт.

54

01435-01090

SCREW

DeutschDesc: SCHRAUBE

2шт.

55

07002-02034

O-RING

DeutschDesc: O-RING

1шт.

56

421-43-22960

CONNECTION

DeutschDesc: VERBINDUNG

1шт.

57

07002-01423

O-RING

DeutschDesc: O-RING

1шт.

58

07040-11409

PLUG

DeutschDesc: VERSCHLUSSSTOPFEN

1шт.

59

07102-20303

HOSE ASSEMBLY

DeutschDesc: SCHLAUCH VOLLST.

1шт.

60

424-35-12730

ELBOW NIPPLE

DeutschDesc: WINKELSTUTZEN

1шт.

61

423-62-23390

TEEPIECE

DeutschDesc: T-STUECK

1шт.

62

07002-02034

O-RING

DeutschDesc: O-RING

1шт.

63

421-62-H3691

ADAPTOR

DeutschDesc: ADAPTER

1шт.

64

20Y-60-H1110

PRESSURE TANK

DeutschDesc: DRUCKSPEICHER

1шт.

65

07283-23442

U-BOLT

DeutschDesc: U-BOLZEN

1шт.

66

01643-31032

PLAIN WASHER

DeutschDesc: UNTERLEGSCHEIBE

2шт.

67

01599-01011

NUT

DeutschDesc: MUTTER

2шт.

Выбрано товаров: 69