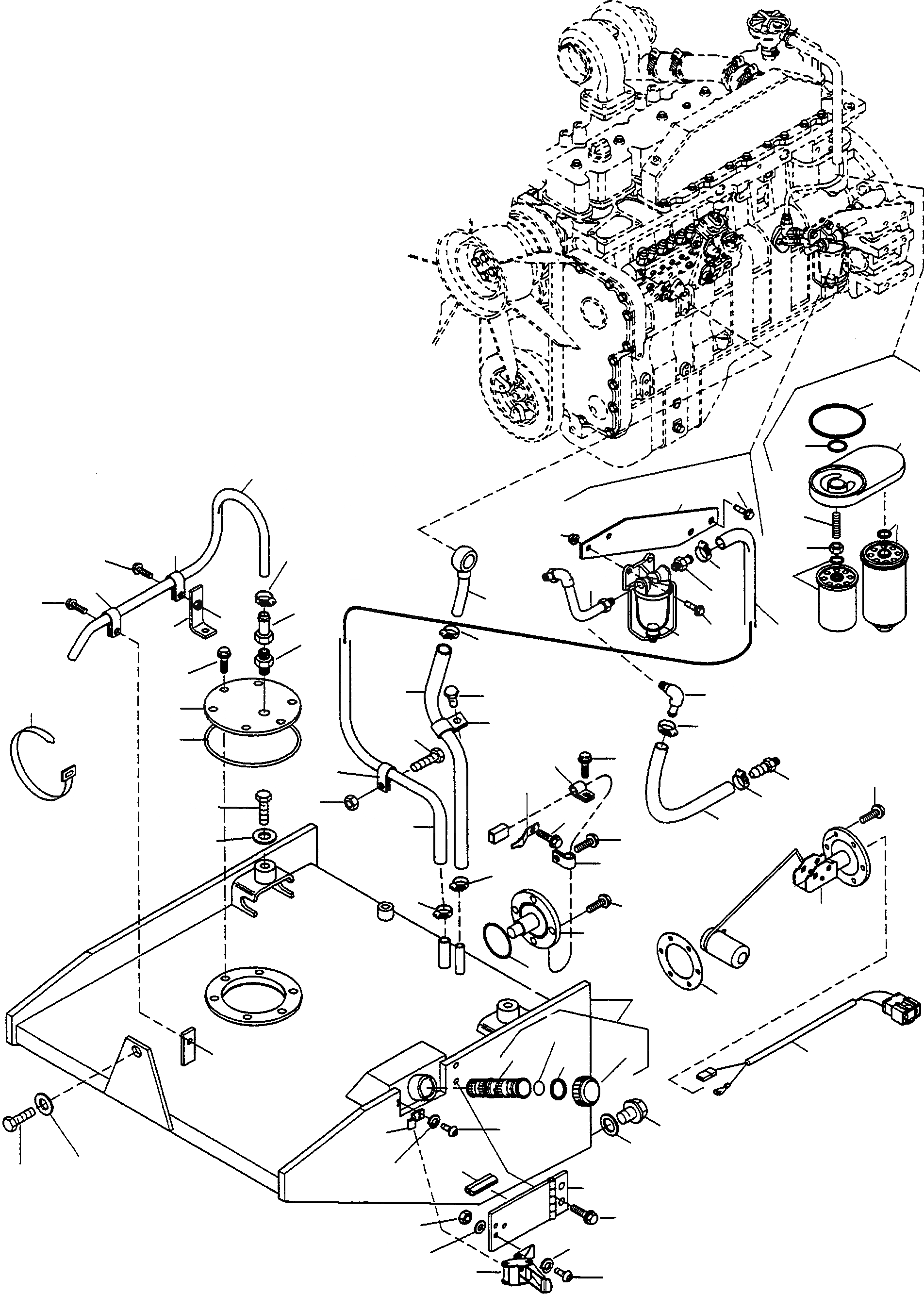
Запчасти Komatsu WA420-3 ТОПЛИВН. СИСТЕМА, ФИЛЬТР. ДВИГАТЕЛЬ, КРЕПЛЕНИЕ ДВИГАТЕЛЯ

Схема запчастей Komatsu WA420-3 - ТОПЛИВН. СИСТЕМА, ФИЛЬТР. ДВИГАТЕЛЬ, КРЕПЛЕНИЕ ДВИГАТЕЛЯ
50
44
47
49
6C
6A
6B
6D
3A
45
43
13
52
48
42
41
36
33
40
37
31
39
46
36
38
37
51
15
19
34
14
33
12
32
53
37
16
10
35
37
55
11
8
7
36
9
56
38
55
20
8
54
34
8
21
7
33
31
8
6
5
1
2
4
3
27
26
17
18
30
23
28
22
24
25
29
28
28
26
27
FIT
1:1
100%

Артикул

Название

Примечание

Количество

1

424-04-H1412

FUEL TANK

SN: WA420H30278

1шт.

1A

424-04-H1420

FUEL TANK

SN: WA420H30279-UP

1шт.

2

421-04-H1160

TANK CAP

EnglischBem: REPAIRS AND REPLACES 421-04-H1121

1шт.

3

421-04-H0P01

GASKET

EnglischBem: REPAIRS AND REPLACES 417-04-21230

1шт.

3A

421-04-H0P02

O-RING

DeutschDesc: O-RING

1шт.

4

421-04-H1130

STRAINER

DeutschDesc: FILTERSIEB

1шт.

5

07000-02085

O-RING

SN: WA420H30278

1шт.

6

7861-92-4831

SENSOR

SN: WA420H30278

1шт.

6A

42Y-04-H1200

SENSOR

SN: WA420H30279-UP

1шт.

6B

42Y-04-H1210

GASKET

SN: WA420H30279-UP

1шт.

6C

42Y-00-H0510

SCREW

SN: WA420H30279-UP

6шт.

6D

421-04-H1210

HARNESS

SN: WA420H30279-UP

1шт.

7

04434-50610

CLIP

DeutschDesc: SCHELLE

3шт.

8

01435-01016

SCREW

DeutschDesc: SCHRAUBE

7шт.

9

08053-01510

BRACKET

DeutschDesc: HALTER

1шт.

10

421-04-11182

COVER

DeutschDesc: DECKEL

1шт.

11

07000-05200

O-RING

DeutschDesc: O-RING

1шт.

12

01435-01020

SCREW

DeutschDesc: SCHRAUBE

6шт.

13

423-00-H0680

HOSE

EnglischBem: GOODS SOLD BY THE METER 1400 MM

1шт.

14

07326-30201

STUD

DeutschDesc: STUTZEN

1шт.

15

425-62-14170

STUD

DeutschDesc: STUTZEN

1шт.

16

08034-20834

BAND

DeutschDesc: BAND

1шт.

17

423-00-H0740

PLUG

DeutschDesc: VERSCHLUSSSTOPFEN

1шт.

18

423-00-H0760

SEAL

DeutschDesc: DICHTRING

1шт.

19

424-04-21330

BRACKET

DeutschDesc: HALTER

1шт.

20

01011-62420

SCREW

DeutschDesc: SCHRAUBE

2шт.

21

22X-22-11280

DISC

DeutschDesc: SCHEIBE

2шт.

22

01010-32455

SCREW

DeutschDesc: SCHRAUBE

1шт.

23

01643-32460

PLAIN WASHER

DeutschDesc: UNTERLEGSCHEIBE

1шт.

24

419-04-21271

COVER

DeutschDesc: DECKEL

1шт.

25

01435-01025

SCREW

DeutschDesc: SCHRAUBE

2шт.

26

421-09-12321

LOCKING UNIT

DeutschDesc: VERSCHLUSS

1шт.

27

01220-40410

SCREW

DeutschDesc: SCHRAUBE

5шт.

28

01641-20405

PLAIN WASHER

DeutschDesc: UNTERLEGSCHEIBE

5шт.

29

01580-10403

NUT

DeutschDesc: MUTTER

3шт.

30

419-04-21280

GASKET

EnglischBem: OPTIONAL GOODS SOLD BY METER 23-00-H0160 680 MM

1шт.

31

07281-00197

CLIP

DeutschDesc: SCHELLE

2шт.

32

419-00-H0720

HOSE

EnglischBem: GOODS SOLD BY THE METER 900 MM

1шт.

33

07281-00167

CLIP

DeutschDesc: SCHELLE

3шт.

34

423-00-H0680

HOSE

EnglischBem: GOODS SOLD BY THE METER 1300 MM

1шт.

35

04434-51310

CLIP

DeutschDesc: SCHELLE

2шт.

36

04434-51510

CLIP

DeutschDesc: SCHELLE

5шт.

37

01435-01016

SCREW

DeutschDesc: SCHRAUBE

6шт.

38

6732-71-2170

BANJO FITTING

EnglischBem: REPAIRS AND REPLACES CU3911447

1шт.

39

6732-71-6110

FUEL FILTER

EnglischBem: REPAIRS AND REPLACES CUFF5052

1шт.

40

6732-71-6130

NUT

EnglischBem: REPAIRS AND REPLACES CU3903293

1шт.

41

6735-71-6150

ADAPTOR

EnglischBem: REPAIRS AND REPLACES CU3925955

1шт.

42

6732-71-6120

FUEL FILTER

EnglischBem: REPAIRS AND REPLACES CUFS1280

1шт.

43

6732-71-6250

FILTER HEAD

EnglischBem: REPAIRS AND REPLACES CU3915240

1шт.

44

6732-71-6160

SEAL

EnglischBem: REPAIRS AND REPLACES CU3903846

1шт.

45

6732-71-6140

SEAL

EnglischBem: REPAIRS AND REPLACES CU3903546

1шт.

46

CU3283697

FUEL LINE

EnglischBem: REPAIRS AND REPLACES CU3281030 THEREFORE TO ORDER POS. 53 - 56

1шт.

47

6732-71-6180

PRE FILTER

EnglischBem: REPAIRS AND REPLACES CU3908633

1шт.

48

CU3282563

BRACKET

DeutschDesc: HALTER

1шт.

49

6732-71-3220

SCREW

EnglischBem: REPAIRS AND REPLACES CU3900630

2шт.

50

6732-71-3210

NUT

EnglischBem: REPAIRS AND REPLACES CU3900589

2шт.

51

6732-71-6170

STUD

EnglischBem: REPAIRS AND REPLACES CU3908585

1шт.

52

6732-51-5130

SCREW

EnglischBem: REPAIRS AND REPLACES CU3902116

2шт.

53

6732-71-6540

ELBOW

DeutschDesc: WINKELSTUECK

1шт.

54

CU3928906

HOSE

DeutschDesc: SCHLAUCH

1шт.

55

6732-61-6190

CLIP

DeutschDesc: SCHELLE

2шт.

56

6732-71-6170

STUD

DeutschDesc: STUTZEN

1шт.

Выбрано товаров: 62