Запчасти Komatsu WA420-3 ЦИЛИНДР КОВША И ТРУБЫS ГИДРАВЛИКА

Схема запчастей Komatsu WA420-3 - ЦИЛИНДР КОВША И ТРУБЫS ГИДРАВЛИКА
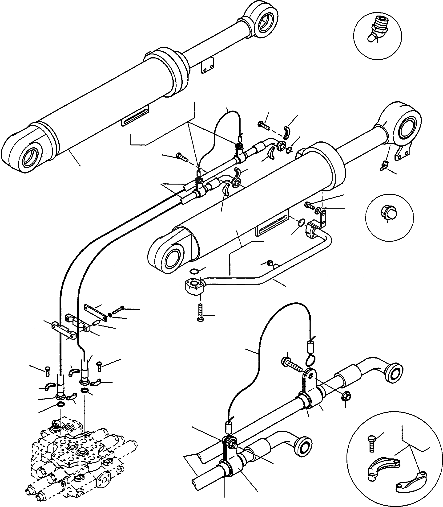
26
20
5
17
10
18
21
8
22
4
10
27
26
1
11
19
10
7
8
23
24
8
7
25
6
14
15
9
12
16
13
12
21
20
1
4
3
4
3
3
2
1
3
22
2
17
21
18
4
3
10
1
22
17
18
FIT
1:1
100%

Артикул

Название

Примечание

Количество

1

424-62-H3300

HOSE ASSEMBLY

DeutschDesc: SCHLAUCH VOLLST.

2шт.

2

421-00-H0130

O-RING

DeutschDesc: O-RING

2шт.

3

07371-31049

HALF FLANGE

DeutschDesc: HALBFLANSCH

4шт.

4

01252-71030

SCREW

DeutschDesc: SCHRAUBE

8шт.

5

01252-71035

SCREW

DeutschDesc: SCHRAUBE

8шт.

6

424-62-H3110

PIPE

DeutschDesc: ROHRLEITUNG

1шт.

7

421-00-H0990

PLUG

DeutschDesc: VERSCHLUSSSTOPFEN

1шт.

8

07000-13038

O-RING

DeutschDesc: O-RING

3шт.

9

01252-41065

SCREW

DeutschDesc: SCHRAUBE

4шт.

10

07371-31255

HALF FLANGE

DeutschDesc: HALBFLANSCH

4шт.

11

01010-51020

SCREW

DeutschDesc: SCHRAUBE

2шт.

12

424-62-14340

RUBBER

DeutschDesc: GUMMI

2шт.

13

419-62-13440

SLEEVE

DeutschDesc: HUELSE

2шт.

14

419-62-13431

PLATE

DeutschDesc: PLATTE

2шт.

15

01011-51210

SCREW

DeutschDesc: SCHRAUBE

2шт.

16

01643-31232

PLAIN WASHER

DeutschDesc: UNTERLEGSCHEIBE

2шт.

17

21K-62-21660

CLIP

DeutschDesc: SCHELLE

2шт.

18

419-62-13470

RUBBER

DeutschDesc: GUMMI

2шт.

19

01643-31032

PLAIN WASHER

DeutschDesc: UNTERLEGSCHEIBE

2шт.

20

419-62-13460

STRING

DeutschDesc: SEIL

1шт.

21

01435-01230

SCREW

DeutschDesc: SCHRAUBE

2шт.

22

01584-01210

NUT

DeutschDesc: MUTTER

2шт.

23

707-01-H3272

BUCKET CYLINDER

SN: WA420H30186

1шт.

|$28

BUCKET CYLINDER

DeutschDesc: SCHAUFELZYLINDER

-3шт.

24

424-63-H3010

BUCKET CYLINDER

SN: WA420H30187-WA420H30260

1шт.

|$29

BUCKET CYLINDER

DeutschDesc: SCHAUFELZYLINDER

-3шт.

25

424-63-H3020

BUCKET CYLINDER

SN: WA420H30261-UP

1шт.

|$30

BUCKET CYLINDER

DeutschDesc: SCHAUFELZYLINDER

-3шт.

26

419-09-11250

LUBRICATION NIPPLE

DeutschDesc: SCHMIERNIPPEL

1шт.

27

424-V50-H020

BUCKET CYLINDER

EnglischBem: ENLENGTHENED BOOM

1шт.

|$31

BUCKET CYLINDER

DeutschDesc: SCHAUFELZYLINDER

-3шт.

Выбрано товаров: 31