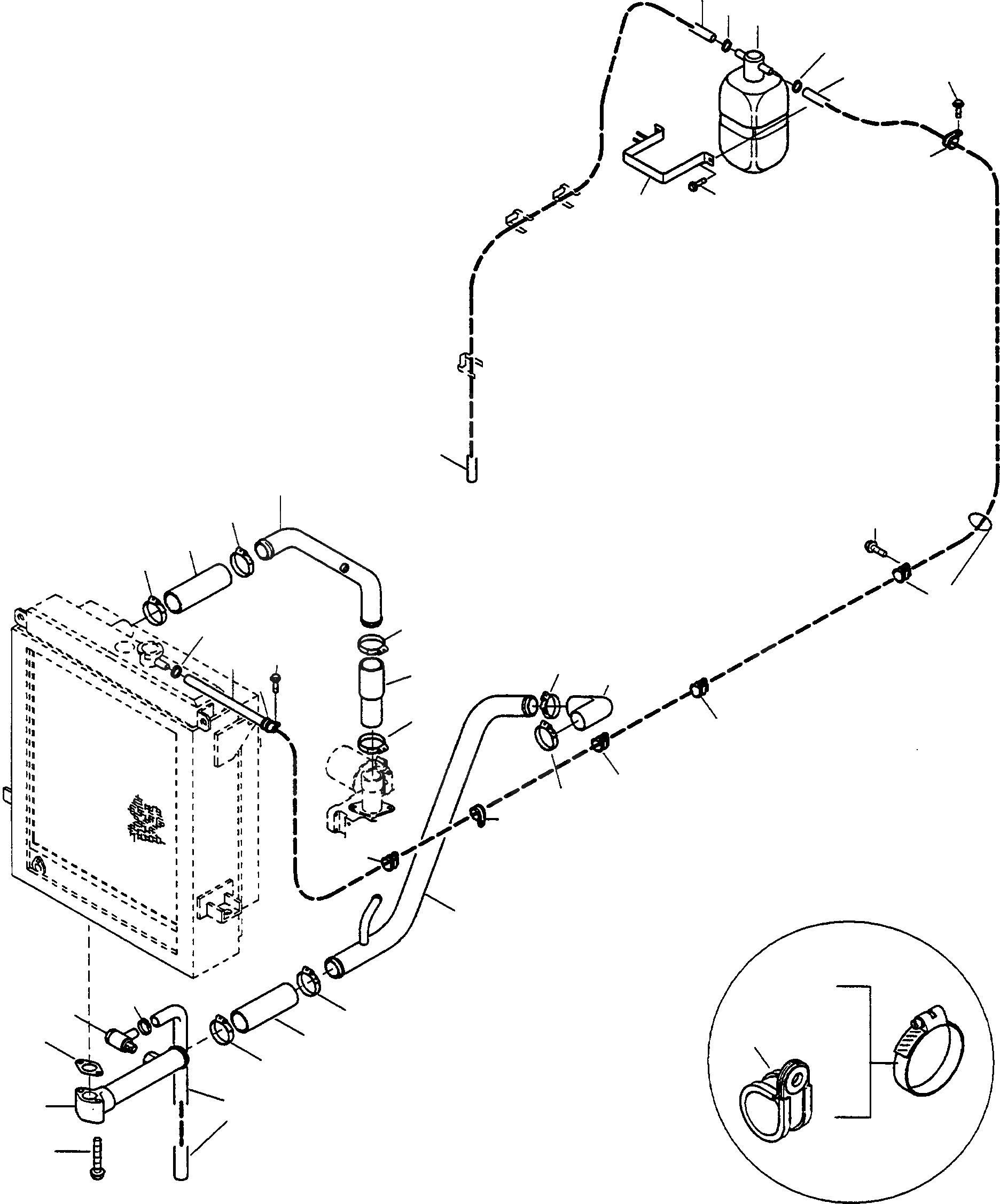
Запчасти Komatsu WA420-3 ОХЛАЖД-Е ВОДН. PIPES СИСТЕМА ОХЛАЖДЕНИЯ

Схема запчастей Komatsu WA420-3 - ОХЛАЖД-Е ВОДН. PIPES СИСТЕМА ОХЛАЖДЕНИЯ
2
3
1
8
7
9
6
8
5
4
2
11
17
9
16
17
8
7
17
9
6
18
23
8
10
17
8
8
24
8
15
22
20
3
18
13
8
19
7
18
17
12
21
14
FIT
1:1
100%

Артикул

Название

Примечание

Количество

1

421-03-11990

CONTAINER

DeutschDesc: BEHAELTER

1шт.

2

421-03-11980

HOSE

EnglischBem: GOODS SOLD BY THE METER 424-00-H0710 1400 MM

1шт.

3

07281-00197

CLIP

DeutschDesc: SCHELLE

1шт.

4

423-03-11340

BRACKET

DeutschDesc: HALTER

1шт.

5

01435-00820

SCREW

DeutschDesc: SCHRAUBE

2шт.

6

424-03-H2220

HOSE

EnglischBem: GOODS SOLD BY THE METER 424-00-H0710 5100 MM

1шт.

7

07281-00197

CLIP

DeutschDesc: SCHELLE

2шт.

8

421-00-H1120

CLIP

DeutschDesc: SCHELLE

7шт.

9

01435-01016

SCREW

DeutschDesc: SCHRAUBE

7шт.

10

424-03-11950

HOSE

EnglischBem: 130 MM

1шт.

11

424-03-H2140

TUBE

DeutschDesc: ROHR

1шт.

12

424-03-H2120

TUBING

DeutschDesc: ROHRSTUTZEN

1шт.

13

424-03-H2200

GASKET

DeutschDesc: DICHTUNG

1шт.

14

01435-01290

SCREW

DeutschDesc: SCHRAUBE

2шт.

15

424-03-H2130

PIPE

DeutschDesc: ROHRLEITUNG

1шт.

16

421-03-11340

HOSE

EnglischBem: 125 MM

1шт.

17

07281-00809

CLIP

DeutschDesc: SCHELLE

4шт.

18

07281-00709

CLIP

DeutschDesc: SCHELLE

3шт.

19

423-00-H0960

HOSE

EnglischBem: 120 MM

1шт.

20

423-00-H0870

DRAIN COOK

DeutschDesc: ABLASSHAHN

1шт.

21

419-03-H2150

HOSE

EnglischBem: GOODS SOLD BY THE METER 424-00-H0720 900 MM

1шт.

22

07281-00259

CLIP

DeutschDesc: SCHELLE

1шт.

23

CU3920762

MANIFOLD

DeutschDesc: KRUEMMER

1шт.

24

CU3918521

CLIP

DeutschDesc: SCHELLE

1шт.

Выбрано товаров: 24