Запчасти Komatsu WA420-3CS ПОЛ Э/ПРОВОДКА КАБИНА ОПЕРАТОРА И СИСТЕМА УПРАВЛЕНИЯ

Схема запчастей Komatsu WA420-3CS - ПОЛ Э/ПРОВОДКА КАБИНА ОПЕРАТОРА И СИСТЕМА УПРАВЛЕНИЯ
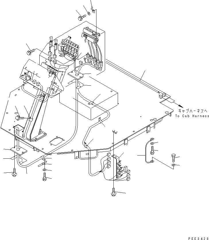
1
2
3
4
5
6
6
7
7
8
9
9
9
9
9
10
11
12
13
14
15
16
17
18
19
20
21
22
22
23
23
FIT
1:1
100%

Артикул

Название

Примечание

Количество

1

423-06-22820

WIRING HARNESS

SN: R50001-UP

1шт.

1

08020-10000

DIODE

SN: R50001-UP

5шт.

1

08034-20519

BAND

SN: R50001-UP

68шт.

2

423-06-22830

WIRING HARNESS

SN: R50001-UP

1шт.

2

08034-20519

BAND

SN: R50001-UP

6шт.

3

419-06-22690

WIRING HARNESS

SN: R50001-UP

1шт.

4

421-06-22940

BRACKET

SN: R50001-UP

1шт.

5

01435-01016

BOLT

SN: R50001-UP

2шт.

6

419-06-12651

SHEET

SN: R50001-UP

2шт.

7

418-944-1420

PLATE

SN: R50001-UP

2шт.

8

01435-00610

BOLT

SN: R50001-UP

4шт.

9

08036-02514

CLIP

SN: R50001-UP

6шт.

10

01435-01016

BOLT

SN: R50001-UP

5шт.

11

08053-01510

CLIP

SN: R50001-UP

2шт.

12

01435-00610

BOLT

SN: R50001-UP

2шт.

13

01642-20810

WASHER

SN: R50001-UP

4шт.

14

08034-20519

BAND

SN: R50001-UP

2шт.

15

04434-51810

CLIP

SN: R50001-UP

1шт.

16

01435-01016

BOLT

SN: R50001-UP

1шт.

17

08036-10814

CLIP

SN: R50001-UP

1шт.

18

01010-81020

BOLT

SN: R50001-UP

1шт.

19

01643-31032

WASHER

SN: R50001-UP

1шт.

20

08034-20519

BAND

SN: R50001-UP

2шт.

21

08028-12045

CABLE

SN: R50001-UP

1шт.

22

01010-81016

BOLT

SN: R50001-UP

2шт.

23

01643-31032

WASHER

SN: R50001-UP

2шт.

Выбрано товаров: 26