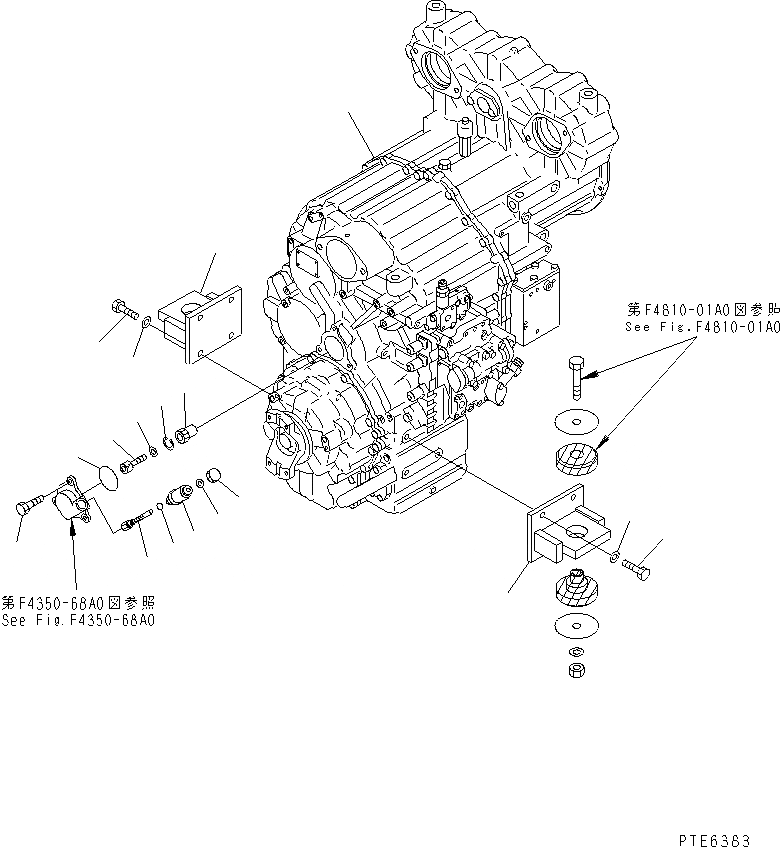
Запчасти Komatsu WA420-3CS ТРАНСМИССИЯ (МОНТАЖНЫЙ КАРКАС И ТАХОГРАФ ПРИВОД) ТРАНСМИССИЯ

Схема запчастей Komatsu WA420-3CS - ТРАНСМИССИЯ (МОНТАЖНЫЙ КАРКАС И ТАХОГРАФ ПРИВОД) ТРАНСМИССИЯ
1
2
3
3
4
4
5
5
6
7
8
9
10
11
12
13
14
15
FIT
1:1
100%

Артикул

Название

Примечание

Количество

1

714-17-10010

TRANSMISSION ASS'Y

SN: R50001-UP

1шт.

2

01010-61240

BOLT

SN: R50001-UP

3шт.

3

421-01-21120

BRACKET

SN: R50001-UP

2шт.

4

01010-51650

BOLT

SN: R50001-UP

8шт.

5

01643-31645

WASHER

SN: R50001-UP

8шт.

|$8

424-T34-1000

TACHOGRAPH KIT

SN: R50001-UP

1шт.

6

714-07-18660

SLEEVE

SN: R50001-UP

1шт.

7

714-07-18650

GEAR

SN: R50001-UP

1шт.

8

07002-12434

O-RING

SN: R50001-UP

1шт.

9

714-07-18460

GEAR,WORM

SN: R50001-UP

1шт.

10

01643-30823

WASHER

SN: R50001-UP

1шт.

11

01252-30816

BOLT

SN: R50001-UP

1шт.

12

04065-01910

RING,SNAP

SN: R50001-UP

1шт.

13

6130-82-5260

CAP

SN: R50001-UP

1шт.

14

6130-82-5270

GASKET

SN: R50001-UP

1шт.

15

07000-12085

O-RING

SN: R50001-UP

1шт.

Выбрано товаров: 16