Запчасти Komatsu WA420-3CS ДВИГАТЕЛЬ (ВОЗДУХООЧИСТИТЕЛЬ КРЕПЛЕНИЕ) КОМПОНЕНТЫ ДВИГАТЕЛЯ

Схема запчастей Komatsu WA420-3CS - ДВИГАТЕЛЬ (ВОЗДУХООЧИСТИТЕЛЬ КРЕПЛЕНИЕ) КОМПОНЕНТЫ ДВИГАТЕЛЯ
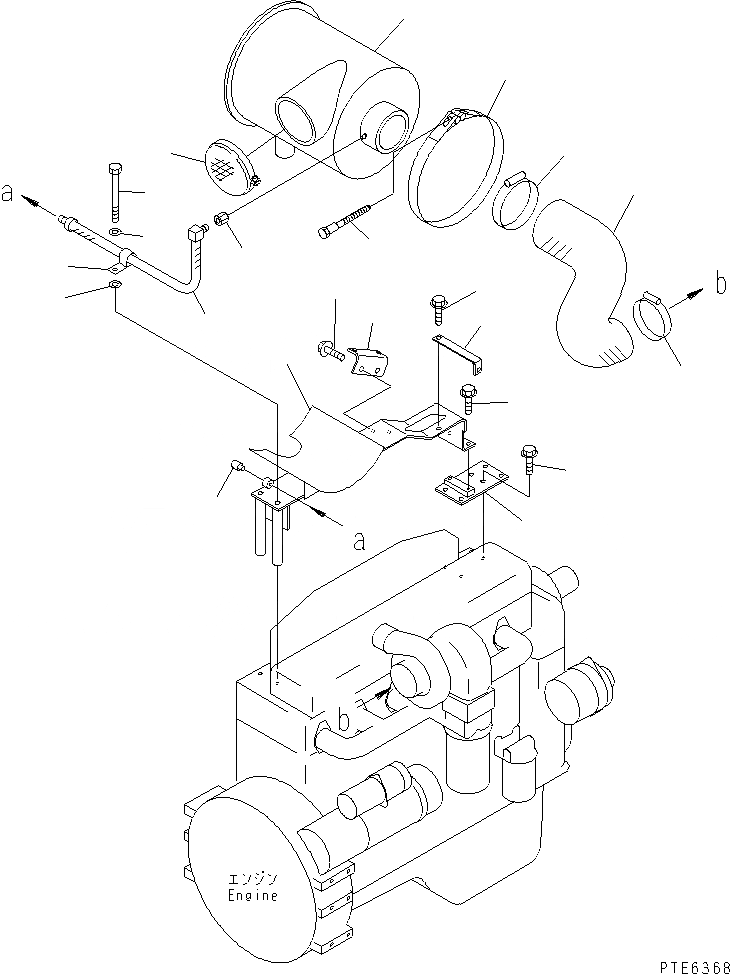
1
2
3
4
4
5
6
7
8
9
10
11
12
13
14
15
16
17
18
19
20
21
FIT
1:1
100%

Артикул

Название

Примечание

Количество

1

424-02-21132

BRACKET

SN: R50001-UP

1шт.

2

424-02-21141

BRACKET

SN: R50001-UP

1шт.

3

427-62-15260

BOLT

SN: R50001-UP

2шт.

4

01643-31232

WASHER

SN: R50001-UP

4шт.

5

01435-01025

BOLT

SN: R50001-UP

4шт.

6

01435-01020

BOLT

SN: R50001-UP

2шт.

7

424-02-21161

PLATE

SN: R50001-UP

1шт.

8

01435-01025

BOLT

SN: R50001-UP

1шт.

9

424-02-21150

PLATE

SN: R50001-UP

1шт.

10

01435-01025

BOLT

SN: R50001-UP

2шт.

11

6151-81-7760

AIR CLEANER ASS'Y

SN: R50001-UP

1шт.

12

6643-11-4641

BOLT

SN: R50001-UP

1шт.

13

6151-11-4840

BAND ASS'Y

SN: R50001-UP

1шт.

14

423-02-11130

CAP

SN: R50001-UP

1шт.

15

424-02-21171

HOSE

SN: R50001-UP

1шт.

16

07289-00145

CLAMP

SN: R50001-UP

1шт.

17

07289-00120

CLAMP

SN: R50001-UP

1шт.

18

08670-80640

INDICATOR,DUST

SN: R50001-UP

1шт.

19

08671-50080

HOSE

SN: R50001-UP

1шт.

20

04434-51412

CLIP

SN: R50001-UP

1шт.

21

424-01-11440

CONNECTOR

SN: R50001-UP

1шт.

Выбрано товаров: 21