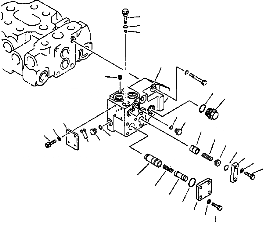
Запчасти Komatsu WA420-3L FIG. H-A ОБОРУД-Е УПРАВЛЯЮЩ. КЛАПАН - SUB КЛАПАН ASSEMBLY ГИДРАВЛИКА

Схема запчастей Komatsu WA420-3L - FIG. H-A ОБОРУД-Е УПРАВЛЯЮЩ. КЛАПАН - SUB КЛАПАН ASSEMBLY ГИДРАВЛИКА
7
9
8
1
2
4
3
6
10
5
13
21
12
22
6
23
5
11
24
25
27
26
14
15
16
18
17
20
19
FIT
1:1
100%

Артикул

Название

Примечание

Количество

|$0

709-91-00080

VALVE ASSEMBLY, SUB

SN: A30001-UP-UP

1шт.

1

NSS

COVER, VALVE

SN: A30001-UP-UP

1шт.

2

NSS

PLUG

SN: A30001-UP-UP

1шт.

3

706-77-71670

PLUG

SN: A30001-UP-UP

1шт.

4

07002-13034

O-RING

SN: A30001-UP-UP

1шт.

5

708-8H-11530

PLUG

SN: A30001-UP-UP

3шт.

6

07002-11423

O-RING

SN: A30001-UP-UP

3шт.

7

702-21-37251

SCREEN

SN: A30001-UP-UP

1шт.

8

07000-11007

O-RING

SN: A30001-UP-UP

1шт.

9

07002-11423

O-RING

SN: A30001-UP-UP

1шт.

10

702-21-37280

FLANGE

SN: A30001-UP-UP

1шт.

11

07000-11009

O-RING

SN: A30001-UP-UP

1шт.

12

01252-30516

BOLT

SN: A30001-UP-UP

4шт.

13

708-25-15370

WASHER

SN: A30001-UP-UP

4шт.

14

NSS

VALVE

SN: A30001-UP-UP

1шт.

15

702-21-37220

SPRING

SN: A30001-UP-UP

1шт.

16

NSS

PISTON

SN: A30001-UP-UP

1шт.

17

700-92-11530

FLANGE

SN: A30001-UP-UP

1шт.

18

07000-13032

O-RING

SN: A30001-UP-UP

1шт.

19

01010-81030

BOLT

SN: A30001-UP-UP

4шт.

20

01643-31032

WASHER

SN: A30001-UP-UP

4шт.

21

706-73-72420

VALVE

SN: A30001-UP-UP

1шт.

22

706-73-72440

SPRING

SN: A30001-UP-UP

1шт.

23

700-92-11540

SEAT

SN: A30001-UP-UP

1шт.

24

07000-12018

O-RING

SN: A30001-UP-UP

1шт.

25

709-63-11340

BAR

SN: A30001-UP-UP

1шт.

26

01010-81035

BOLT

SN: A30001-UP-UP

2шт.

27

01643-31032

WASHER

SN: A30001-UP-UP

2шт.

Выбрано товаров: 28