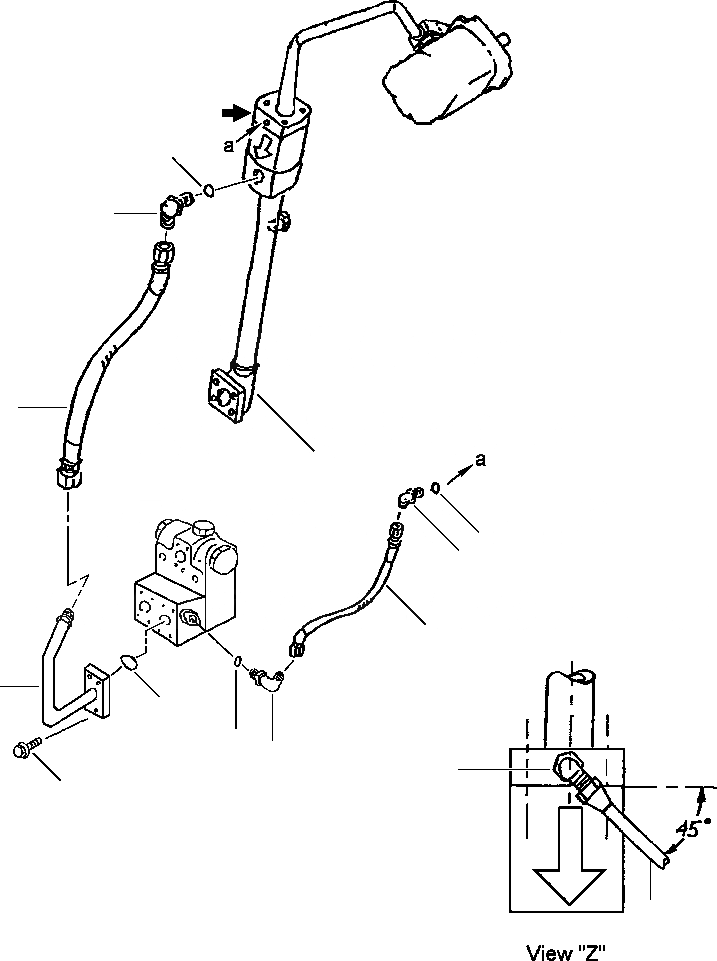
Запчасти Komatsu WA420-3L FIG. H-A GROUND ПРИВОДN ГИДРАВЛИКА РУЛ. УПРАВЛЕНИЯ - ПЕРЕПУСКН. КЛАПАН - КОНТРОЛЬ КЛАПАН ГИДРАВЛИКА

Схема запчастей Komatsu WA420-3L - FIG. H-A GROUND ПРИВОДN ГИДРАВЛИКА РУЛ. УПРАВЛЕНИЯ - ПЕРЕПУСКН. КЛАПАН - КОНТРОЛЬ КЛАПАН ГИДРАВЛИКА
2
2
3
4
1
12
11
10
6
5
9
8
11
7
10
FIT
1:1
100%

Артикул

Название

Примечание

Количество

1

TUBE (SEE FIG. H4200-15A0)

SN: A30001-UP-UP

-1шт.

2

07002-12434

O-RING

SN: A30001-UP-UP

1шт.

3

07235-10628

ELBOW

SN: A30001-UP-UP

1шт.

4

07123-00605

HOSE

SN: A30001-UP-UP

1шт.

5

07000-13032

O-RING

SN: A30001-UP-UP

1шт.

6

423-875-2170

TUBE

SN: A30001-UP-UP

1шт.

7

01435-01035

BOLT

SN: A30001-UP-UP

4шт.

8

07235-10210

ELBOW

SN: A30001-UP-UP

1шт.

9

07002-11423

O-RING

SN: A30001-UP-UP

1шт.

10

07123-00207

HOSE

SN: A30001-UP-UP

1шт.

11

07235-10210

ELBOW

SN: A30001-UP-UP

1шт.

12

07002-11423

O-RING

SN: A30001-UP-UP

1шт.

Выбрано товаров: 0