Запчасти Komatsu WA420-3L FIG. K7-A КОНДИЦ. ВОЗДУХА - КОМПРЕССОР И КРЕПЛЕНИЕ КАБИНА ОПЕРАТОРА И СИСТЕМА УПРАВЛЕНИЯ

Схема запчастей Komatsu WA420-3L - FIG. K7-A КОНДИЦ. ВОЗДУХА - КОМПРЕССОР И КРЕПЛЕНИЕ КАБИНА ОПЕРАТОРА И СИСТЕМА УПРАВЛЕНИЯ
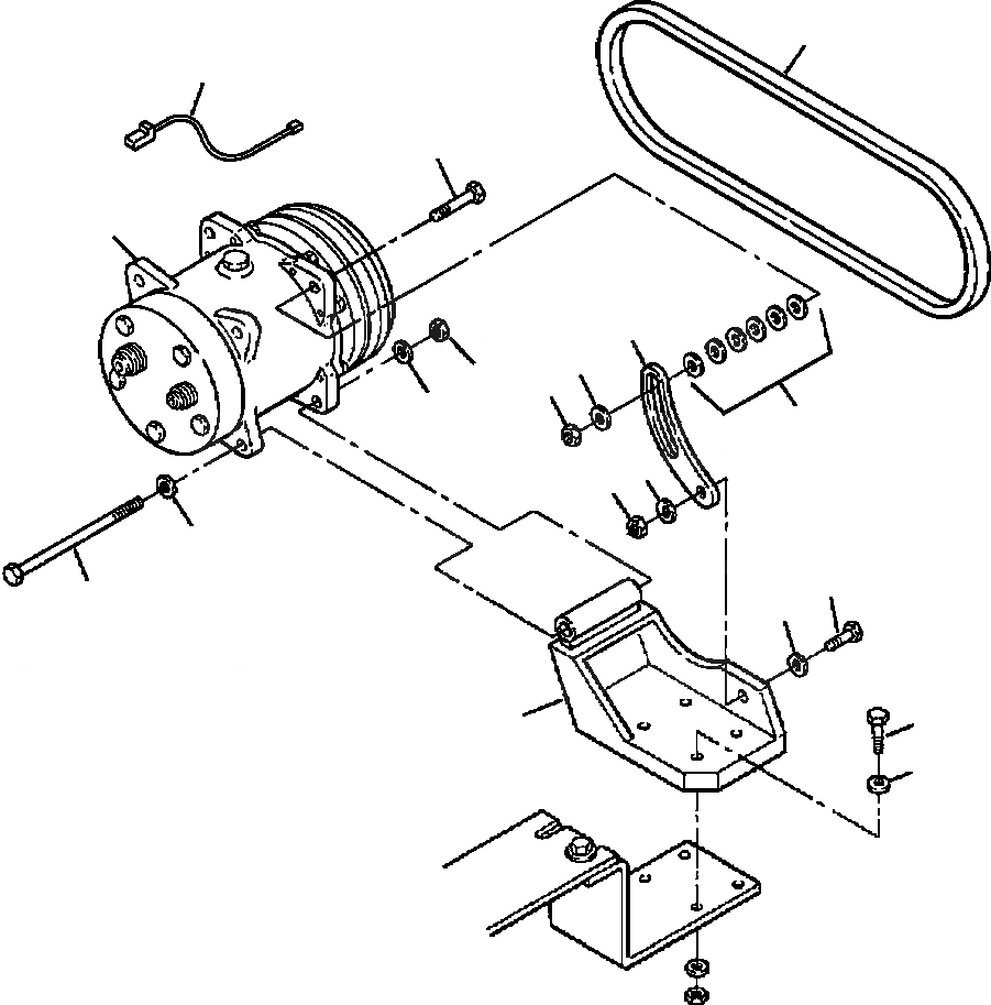
16
17
9
1
5
10
8
11
7
12
14
15
7
13
6
14
2
3
4
FIT
1:1
100%

Артикул

Название

Примечание

Количество

1

COMPRESSOR ASSEMBLY, REFRIGERANT(SEE FIG. K0710-11A0)

SN: A30001-UP-UP

-1шт.

2

423-963-A270

BRACKET, COMPRESSOR MOUNT

SN: A30001-UP-UP

1шт.

3

01010-81035

BOLT

SN: A30001-UP-UP

4шт.

4

01643-31032

WASHER

SN: A30001-UP-UP

4шт.

5

423-963-A280

BRACKET, BELT TENSIONER

SN: A30001-UP-UP

1шт.

6

01011-51030

BOLT

SN: A30001-UP-UP

1шт.

7

01643-31032

WASHER

SN: A30001-UP-UP

2шт.

8

01598-11011

NUT

SN: A30001-UP-UP

1шт.

9

01010-80835

BOLT

SN: A30001-UP-UP

1шт.

10

01643-30823

WASHER

SN: A30001-UP-UP

2шт.

11

01580-10806

NUT

SN: A30001-UP-UP

1шт.

12

419-963-AB60

SHIM KIT

SN: A30001-UP-UP

1шт.

|$12

425-963-A430

SHIM - 0.18 MM

SN: A30001-UP-UP

2шт.

|$13

425-963-A420

SHIM - 0.25 MM

SN: A30001-UP-UP

2шт.

|$14

425-963-A410

SHIM - 0.38 MM

SN: A30001-UP-UP

2шт.

13

01010-81030

BOLT

SN: A30001-UP-UP

1шт.

14

01643-31032

WASHER

SN: A30001-UP-UP

2шт.

15

01580-11008

NUT

SN: A30001-UP-UP

1шт.

16

424-963-A730

BELT, A/C COMPRESSOR

SN: A30001-UP-UP

1шт.

17

425-963-A460

HARNESS, A/C COMPRESSOR

SN: A30001-UP-UP

1шт.

N/I

419-963-AB50

KIT, COMPRESSOR MOUNTING

SN: A30001-UP-UP

1шт.

|$21

-1шт.

|$22

F1 - INCLUDED IN MOUNTING COMPRESSOR KIT.

-1шт.

|$23

-1шт.

Выбрано товаров: 24