Запчасти Komatsu WA420-3L FIG. M-A КАПОТ ЧАСТИ КОРПУСА

Схема запчастей Komatsu WA420-3L - FIG. M-A КАПОТ ЧАСТИ КОРПУСА
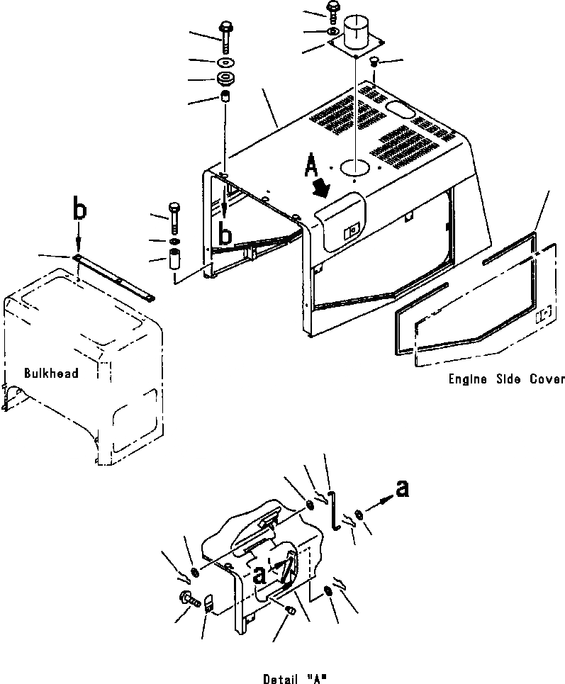
10
19
11
9
18
20
1
16
17
8
13
14
15
12
4
6
5
5
6
5
6
6
3
1
5
2
7
FIT
1:1
100%

Артикул

Название

Примечание

Количество

1

424-54-21251

HOOD, ENGINE

SN: A30001-UP-UP

1шт.

2

426-54-11990

PLATE

SN: A30001-UP-UP

1шт.

3

01435-01220

BOLT

SN: A30001-UP-UP

2шт.

4

421-54-21920

BAR

SN: A30001-UP-UP

1шт.

5

01643-31032

WASHER

SN: A30001-UP-UP

4шт.

6

04052-11038

PIN, SNAP

SN: A30001-UP-UP

4шт.

7

415-54-11980

CUSHION

SN: A30001-UP-UP

2шт.

8

424-54-21240

SEAL

SN: A30001-UP-UP

2шт.

9

424-54-11790

BRACKET, EXHAUST PIPE

SN: A30001-UP-UP

1шт.

10

01435-01225

BOLT

SN: A30001-UP-UP

4шт.

11

124-54-26540

WASHER

SN: A30001-UP-UP

4шт.

12

41E-70-15771

SPACER

SN: A30001-UP-UP

4шт.

13

01010-81485

BOLT

SN: A30001-UP-UP

4шт.

14

01643-31445

WASHER

SN: A30001-UP-UP

4шт.

15

421-54-21180

CUSHION

SN: A30001-UP-UP

1шт.

16

419-43-17930

CUSHION

SN: A30001-UP-UP

3шт.

17

416-855-2430

SPACER

SN: A30001-UP-UP

3шт.

18

419-43-17920

WASHER

SN: A30001-UP-UP

3шт.

19

01435-01245

BOLT

SN: A30001-UP-UP

3шт.

20

416-54-21710

PLUG

SN: A30001-UP-UP

4шт.

Выбрано товаров: 20