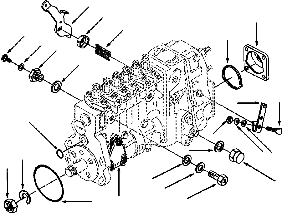
Запчасти Komatsu WA420-3L FIG. A-AA8 ТОПЛИВН. НАСОС ЗАПЧАСТИ ДЛЯ ОБСЛУЖ-Я ДВИГАТЕЛЬ

Схема запчастей Komatsu WA420-3L - FIG. A-AA8 ТОПЛИВН. НАСОС ЗАПЧАСТИ ДЛЯ ОБСЛУЖ-Я ДВИГАТЕЛЬ
5
7
17
6
14
16
15
12
13
21
11
23
18
4
10
19
20
9
2
3
2
1
22
8
FIT
1:1
100%

Артикул

Название

Примечание

Количество

1

6742-72-6410

VALVE, OVERFLOW

1шт.

2

6742-01-2080

WASHER, SEALING

2шт.

3

6742-01-2110

PLUG, TIMING

1шт.

4

6742-01-2120

WASHER, SEALING

1шт.

5

6735-71-9110

LEVER, SHUT OFF VALVE

1шт.

6

6735-71-9130

SPRING, SHUT OFF

1шт.

7

6735-71-9140

HOUSING, RETURN SPRING

1шт.

8

1241 266 H1

GASKET, FEED PUMP COVER

1шт.

9

6742-01-2050

NUT, GEAR RETAINING

1шт.

10

6742-01-2060

WASHER, LOCK

1шт.

11

6735-71-9230

LEVER, CONTROL

1шт.

12

1295 657 H1

SCREW, VENT

1шт.

13

1295 658 H1

WASHER, SEALING

1шт.

14

1295 659 H1

SCREW, VENT

1шт.

15

1295 660 H1

WASHER, SEALING

1шт.

16

6735-71-9120

SEAL, RECTANGULAR RING

1шт.

17

6735-71-9150

COVER, FUEL PUMP

1шт.

18

6735-71-9190

NUT, HEXAGON

1шт.

19

6735-71-9210

WASHER, LOCK

1шт.

20

6735-71-9220

WASHER, FLAT

1шт.

21

6735-71-9230

BOLT, THROTTLE SHAFT

1шт.

22

6742-01-0960

O-RING

1шт.

23

6742-01-1050

O-RING

1шт.

Выбрано товаров: 23