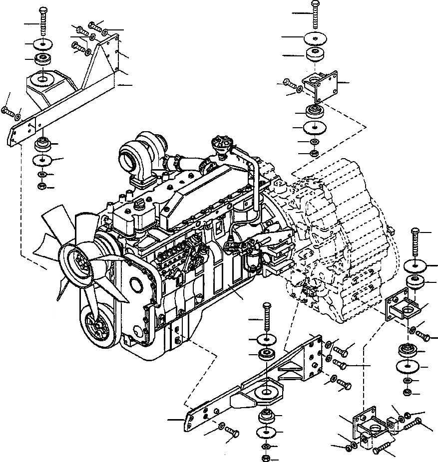
Запчасти Komatsu WA420-3L FIG. B-A ДВИГАТЕЛЬ И КРЕПЛЕНИЕ ТРАНСМИССИИ КОМПОНЕНТЫ ДВИГАТЕЛЯ

Схема запчастей Komatsu WA420-3L - FIG. B-A ДВИГАТЕЛЬ И КРЕПЛЕНИЕ ТРАНСМИССИИ КОМПОНЕНТЫ ДВИГАТЕЛЯ
7
17
16
7
19
19
6
6
5
17
5
13
2
16
14
3
19
4
6
9
4
8
6
9
8
7
6
5
2
1
3
7
19
18
6
13
4
5
16
6
9
19
8
18
12
11
2
4
15
10
12
6
19
9
11
16
8
10
FIT
1:1
100%

Артикул

Название

Примечание

Количество

1

ENGINE ASSEMBLY (SEE FIG. A9101-A3A9)

SN: A30001-UP-UP

-1шт.

2

421-01-21120

BRACKET

SN: A30001-UP-UP

2шт.

3

01643-31645

WASHER

SN: A30001-UP-UP

8шт.

|$3

424-01-11310

CUSHION ASSEMBLY

SN: A30001-UP-UP

4шт.

4

NSS

CUSHION

SN: A30001-UP-UP

1шт.

5

NSS

CUSHION

SN: A30001-UP-UP

1шт.

6

424-01-11220

WASHER

SN: A30001-UP-UP

8шт.

7

01011-62440

BOLT

SN: A30001-UP-UP

4шт.

8

01580-02419

NUT

SN: A30001-UP-UP

4шт.

9

01643-32460

WASHER

SN: A30001-UP-UP

4шт.

10

01016-52080

BOLT

SN: A30001-UP-UP

4шт.

11

01580-12016

NUT

SN: A30001-UP-UP

4шт.

12

01643-32060

WASHER

SN: A30001-UP-UP

4шт.

13

01010-81650

BOLT

SN: A30001-UP-UP

8шт.

14

424-01-21211

SUPPORT L.H.

SN: A30001-UP-UP

1шт.

15

424-01-21221

SUPPORT R.H.

SN: A30001-UP-UP

1шт.

16

01010-E1245

BOLT

SN: A30001-UP-UP

8шт.

17

01010-E1240

BOLT

SN: A30001-UP-UP

10шт.

18

01010-E1250

BOLT

SN: A30001-UP-UP

2шт.

19

01643-31232

WASHER

SN: A30001-UP-UP

20шт.

Выбрано товаров: 0