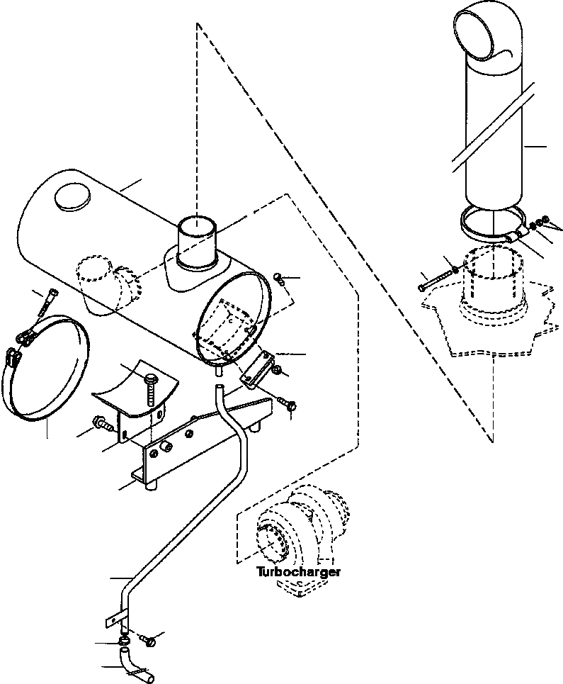
Запчасти Komatsu WA420-3L FIG. B-A ВЫПУСКН. СИСТЕМА КОМПОНЕНТЫ ДВИГАТЕЛЯ

Схема запчастей Komatsu WA420-3L - FIG. B-A ВЫПУСКН. СИСТЕМА КОМПОНЕНТЫ ДВИГАТЕЛЯ
14
1
18
17
17
16
15
2
5
19
9
3
20
7
4
6
8
10
11
12
13
FIT
1:1
100%

Артикул

Название

Примечание

Количество

1

424-01-A2010

MUFFLER

SN: A30001-UP-UP

1шт.

2

01010-81035

BOLT

SN: A30001-UP-UP

2шт.

|$2

01643-31032

WASHER

SN: A30001-UP-UP

4шт.

3

01580-11008

NUT

SN: A30001-UP-UP

2шт.

4

6138-11-5790

BAND

SN: A30001-UP-UP

1шт.

5

421-02-A1130

BOLT

SN: A30001-UP-UP

1шт.

6

424-02-21120

BRACKET

SN: A30001-UP-UP

1шт.

7

01435-01025

BOLT

SN: A30001-UP-UP

2шт.

8

424-02-21221

BRACKET

SN: A30001-UP-UP

1шт.

9

01435-01070

BOLT

SN: A30001-UP-UP

2шт.

10

424-01-22110

TUBE, MUFFLER DRAIN

SN: A30001-UP-UP

1шт.

11

01435-01025

BOLT

SN: A30001-UP-UP

1шт.

12

07281-00197

CLAMP

SN: A30001-UP-UP

1шт.

13

424-02-A1030

HOSE, MUFFLER DRAIN

SN: A30001-UP-UP

1шт.

14

424-02-A1020

PIPE, EXHAUST

SN: A30001-UP-UP

1шт.

15

421-02-11120

CLAMP, EXHAUST PIPE

SN: A30001-UP-UP

1шт.

16

6693-12-5550

BOLT, EXHAUST CLAMP

SN: A30001-UP-UP

1шт.

17

6151-11-5670

WASHER

SN: A30001-UP-UP

2шт.

18

01582-11411

NUT

SN: A30001-UP-UP

2шт.

19

424-02-21150

PLATE

SN: A30001-UP-UP

1шт.

20

01435-01025

BOLT

SN: A30001-UP-UP

2шт.

Выбрано товаров: 21