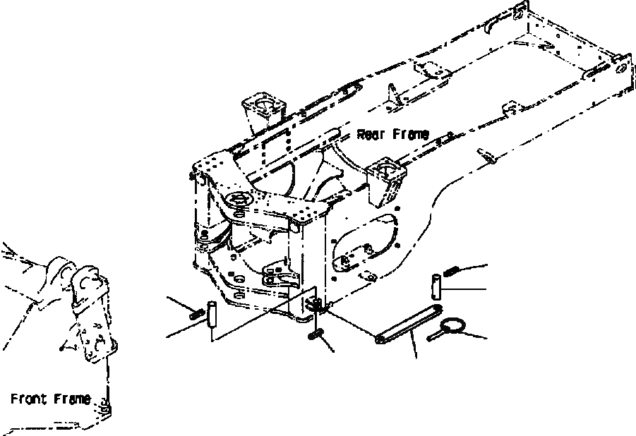
Запчасти Komatsu WA420-3MC FIG. J9-A ARTICULATION БЛОКИР. BAR ОСНОВНАЯ РАМА И ЕЕ ЧАСТИ

Схема запчастей Komatsu WA420-3MC - FIG. J9-A ARTICULATION БЛОКИР. BAR ОСНОВНАЯ РАМА И ЕЕ ЧАСТИ
3
2
3
5
2
4
1
FIT
1:1
100%

Артикул

Название

Примечание

Количество

1

421-46-12920

BAR, LOCK

SN: A31001-UP-UP

1шт.

2

421-46-12721

PIN

SN: A31001-UP-UP

2шт.

3

04025-01065

PIN

SN: A31001-UP-UP

2шт.

4

419-46-A1230

PIN

SN: A31001-UP-UP

1шт.

5

421-46-12740

PIN

SN: A31001-UP-UP

1шт.

Выбрано товаров: 5