Запчасти Komatsu WA420-3MC FIG. K7-A КОНДИЦ. ВОЗДУХА КАБИНА ОПЕРАТОРА И СИСТЕМА УПРАВЛЕНИЯ

Схема запчастей Komatsu WA420-3MC - FIG. K7-A КОНДИЦ. ВОЗДУХА КАБИНА ОПЕРАТОРА И СИСТЕМА УПРАВЛЕНИЯ
7
6
9
1
10
8
2
4
2
5
5
3
11
FIT
1:1
100%

Артикул

Название

Примечание

Количество

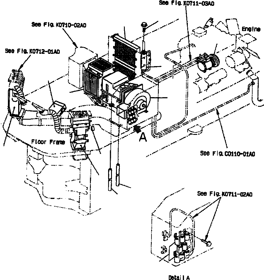
1

DAMPER ASSEMBLY (SEE FIG. K0710-03A0)

SN: A31001-UP-UP

-1шт.

2

DUCT ASSEMBLY, AIR(SEE FIG. K0710-04A0)

SN: A31001-UP-UP

-1шт.

3

425-07-21160

RELAY

SN: A31001-UP-UP

8шт.

4

421-07-21190

CAP

SN: A31001-UP-UP

2шт.

5

421-07-21280

HOSE

SN: A31001-UP-UP

2шт.

6

20Y-979-3120

RECEIVER TANK

SN: A31001-UP-UP

1шт.

7

01435-00620

BOLT

SN: A31001-UP-UP

2шт.

8

425-07-21111

AIR CONDITIONER UNIT

SN: A31001-UP-UP

1шт.

9

425-07-21121

CONTROLLER

SN: A31001-UP-UP

1шт.

10

COMPRESSOR ASSEMBLY(SEE FIG. K0710-05A0)

SN: A31001-UP-UP

-1шт.

11

425-07-21530

CONDENSER ASSEMBLY

SN: A31001-UP-UP

2шт.

Выбрано товаров: 11