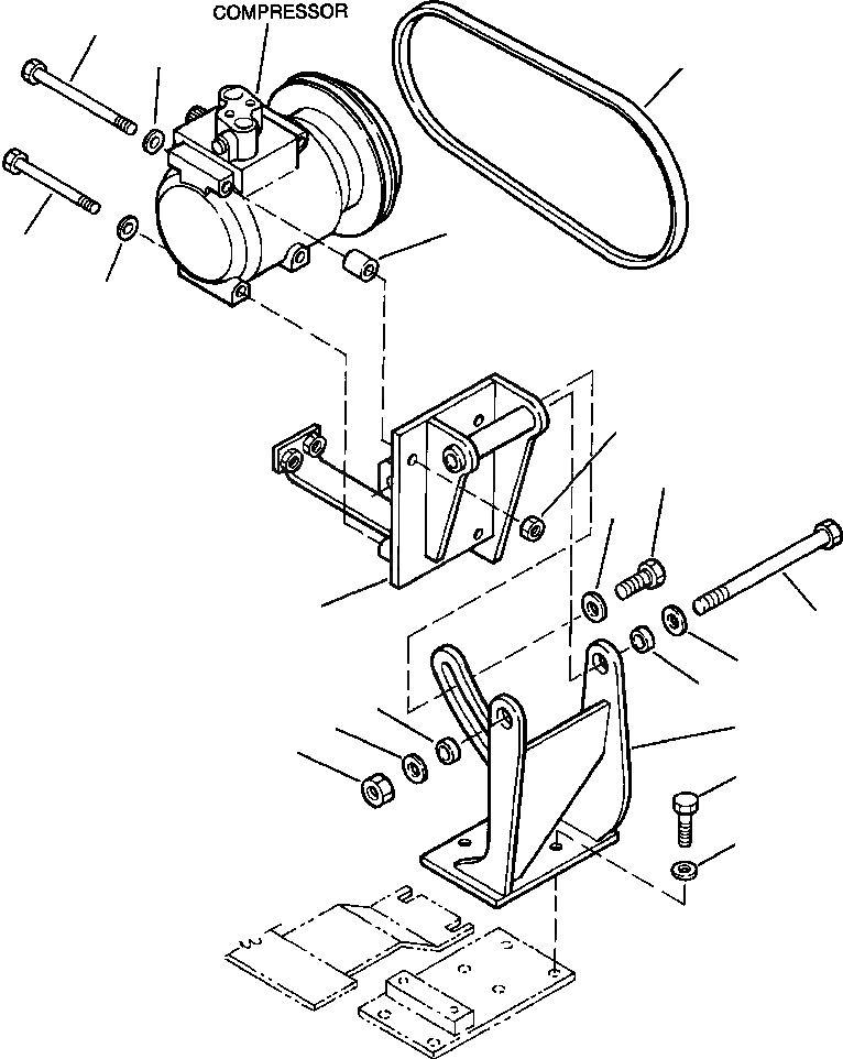
Запчасти Komatsu WA420-3MC FIG. K7-A КОНДИЦ. ВОЗДУХА - КОМПРЕССОР КРЕПЛЕНИЕ КАБИНА ОПЕРАТОРА И СИСТЕМА УПРАВЛЕНИЯ

Схема запчастей Komatsu WA420-3MC - FIG. K7-A КОНДИЦ. ВОЗДУХА - КОМПРЕССОР КРЕПЛЕНИЕ КАБИНА ОПЕРАТОРА И СИСТЕМА УПРАВЛЕНИЯ
10
11
16
12
9
11
13
14
15
2
6
7
5
5
1
7
8
3
4
FIT
1:1
100%

Артикул

Название

Примечание

Количество

1

419-S62-2410

BRACKET

SN: A31001-UP-UP

1шт.

2

419-S62-2422

BRACKET

SN: A31001-UP-UP

1шт.

3

01010-81035

BOLT

SN: A31001-UP-UP

4шт.

4

01643-31032

WASHER

SN: A31001-UP-UP

4шт.

5

419-S62-2260

COLLAR

SN: A31001-UP-UP

2шт.

6

01011-81260

BOLT

SN: A31001-UP-UP

1шт.

7

124-54-26540

WASHER

SN: A31001-UP-UP

2шт.

8

01580-11210

NUT

SN: A31001-UP-UP

1шт.

9

01010-80885

BOLT

SN: A31001-UP-UP

1шт.

10

6204-81-6810

BOLT

SN: A31001-UP-UP

3шт.

11

01643-30823

WASHER

SN: A31001-UP-UP

4шт.

12

418-S62-2120

SPACER

SN: A31001-UP-UP

3шт.

13

01584-00806

NUT

SN: A31001-UP-UP

3шт.

14

01010-81230

BOLT

SN: A31001-UP-UP

1шт.

15

01643-31232

WASHER

SN: A31001-UP-UP

1шт.

16

04120-43116

BELT

SN: A31001-UP-UP

1шт.

Выбрано товаров: 16