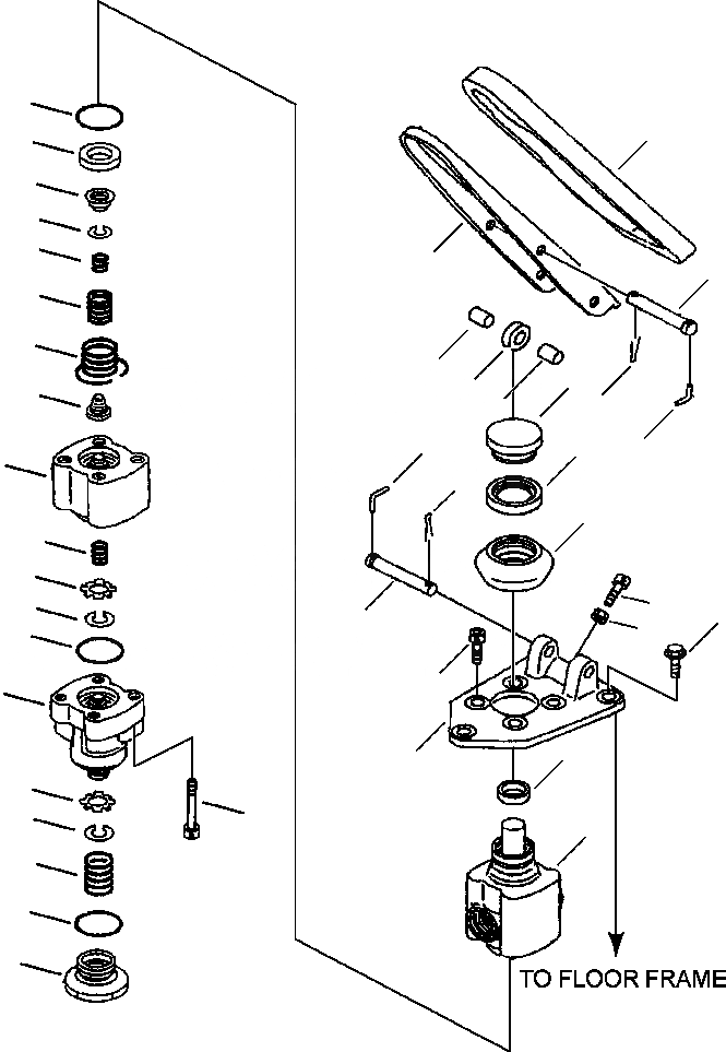
Запчасти Komatsu WA420-3MC FIG. K-A УПРАВЛ-Е ТОРМОЗОМ - ТАНДЕМН. ТОРМОЗН. КЛАПАН КАБИНА ОПЕРАТОРА И СИСТЕМА УПРАВЛЕНИЯ

Схема запчастей Komatsu WA420-3MC - FIG. K-A УПРАВЛ-Е ТОРМОЗОМ - ТАНДЕМН. ТОРМОЗН. КЛАПАН КАБИНА ОПЕРАТОРА И СИСТЕМА УПРАВЛЕНИЯ
6
25
2
3
4
20
26
32
19
21
31
30
18
27
34
31
33
29
33
7
34
28
9
8
10
35
37
32
36
11
12
22
5
24
13
16
23
1
15
17
14
FIT
1:1
100%

Артикул

Название

Примечание

Количество

|$0

421-43-27201

VALVE ASSEMBLY, TANDEM

SN: A31001-UP-UP

1шт.

1

421-43-27210

FLANGE ASSEMBLY

SN: A31001-UP-UP

1шт.

2

421-43-27270

RETAINER

SN: A31001-UP-UP

1шт.

3

421-43-27280

RETAINER

SN: A31001-UP-UP

1шт.

4

421-43-27360

RING, SNAP

SN: A31001-UP-UP

1шт.

5

07017-10016

SEAL, OIL

SN: A31001-UP-UP

1шт.

6

421-43-27180

O-RING

SN: A31001-UP-UP

1шт.

7

421-43-27221

CYLINDER ASSEMBLY

SN: A31001-UP-UP

1шт.

8

421-43-27240

RETAINER

SN: A31001-UP-UP

1шт.

9

421-43-27721

SPRING

SN: A31001-UP-UP

1шт.

10

04064-01510

RING, SNAP

SN: A31001-UP-UP

1шт.

11

421-43-27180

O-RING

SN: A31001-UP-UP

1шт.

12

421-43-27231

CYLINDER ASSEMBLY

SN: A31001-UP-UP

1шт.

13

421-43-27240

RETAINER

SN: A31001-UP-UP

1шт.

14

421-43-27250

NUT, END

SN: A31001-UP-UP

1шт.

15

421-43-27710

SPRING

SN: A31001-UP-UP

1шт.

16

04064-01510

RING, SNAP

SN: A31001-UP-UP

1шт.

17

07002-13634

O-RING

SN: A31001-UP-UP

1шт.

18

421-43-27260

HOLDER

SN: A31001-UP-UP

1шт.

19

421-43-27730

SPRING

SN: A31001-UP-UP

1шт.

20

421-43-27740

SPRING

SN: A31001-UP-UP

1шт.

21

421-43-27750

SPRING

SN: A31001-UP-UP

1шт.

22

01252-41025

BOLT

SN: A31001-UP-UP

4шт.

23

421-43-27170

BOLT

SN: A31001-UP-UP

4шт.

24

421-43-27120

BRACKET ASSEMBLY

SN: A31001-UP-UP

1шт.

|$25

421-43-27150

BUSHING

SN: A31001-UP-UP

2шт.

25

363-43-37410

PAD, PEDAL

SN: A31001-UP-UP

1шт.

26

421-43-27130

PLATE, PEDAL

SN: A31001-UP-UP

1шт.

27

421-43-27320

ROLLER ASSEMBLY

SN: A31001-UP-UP

1шт.

|$29

421-43-27160

BUSHING

SN: A31001-UP-UP

1шт.

28

421-43-27190

BOOT

SN: A31001-UP-UP

1шт.

29

421-43-27290

STOPPER, PEDAL

SN: A31001-UP-UP

1шт.

30

421-43-27310

SEAT

SN: A31001-UP-UP

1шт.

31

421-43-27330

COLLAR

SN: A31001-UP-UP

2шт.

32

421-43-27380

PIN

SN: A31001-UP-UP

2шт.

33

421-43-27390

PIN

SN: A31001-UP-UP

2шт.

34

04052-11038

PIN, SNAP

SN: A31001-UP-UP

2шт.

35

01252-40820

BOLT

SN: A31001-UP-UP

1шт.

36

01580-10806

NUT

SN: A31001-UP-UP

1шт.

37

01435-01025

BOLT

SN: A31001-UP-UP

3шт.

Выбрано товаров: 40