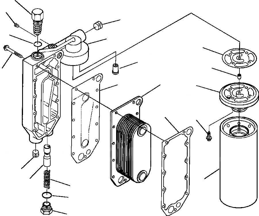
Запчасти Komatsu WA420-3MC FIG. A-AA СИСТЕМА СМАЗКИ МАСЛООХЛАДИТЕЛЬ ДВИГАТЕЛЬ

Схема запчастей Komatsu WA420-3MC - FIG. A-AA СИСТЕМА СМАЗКИ МАСЛООХЛАДИТЕЛЬ ДВИГАТЕЛЬ
20
5
2
19
17
16
18
13
6
8
10
15
7
14
3
4
9
1
12
11
FIT
1:1
100%

Артикул

Название

Примечание

Количество

1

6744-61-2010

SPRING, COMPRESSION

1шт.

2

6732-11-1920

PLUG, PIPE - 3/4 NPT

1шт.

3

6732-11-1910

PLUG, PIPE - 1/2 NPT

1шт.

4

1295 155 H1

ELEMENT, LUBRICATING OIL FILTER

1шт.

5

6732-11-1930

PLUG, PIPE - 1/8 NPT

2шт.

6

6742-01-2441

BOLT - M8-1.25 X 65

11шт.

7

6742-01-1080

GASKET, OIL COOLER CORE

1шт.

8

6742-01-2450

CORE, COOLER

1шт.

9

6742-01-5202

PLUNGER, PRESSURE REGULATOR

1шт.

10

6742-01-2460

GASKET, LUBRICATION OIL COOLER COVER

1шт.

|$10

6742-01-4220

PLUG, THREADED

1шт.

11

NSS

PLUG, THREADED

1шт.

12

6742-01-5118

SEAL, O-RING

1шт.

|$13

6742-01-5041

HEAD, LUBRICATING OIL FILTER

1шт.

13

6742-01-2480

DOWEL, RING

1шт.

14

6732-21-6610

BOLT - M8-1.25 X 25

4шт.

15

6742-01-2500

HEAD, LUBRICATING OIL FILTER

1шт.

16

6742-01-2491

GASKET, CONNECTION

1шт.

17

NSS

COVER, LUBRICATING OIL COOLER

1шт.

18

6731-61-2151

VALVE, PRESSURE RELIEF

1шт.

|$20

6742-01-5117

VALVE, BYPASS

1шт.

19

6742-01-2420

SEAL, O-RING

1шт.

20

NSS

VALVE, BYPASS

1шт.

Выбрано товаров: 23