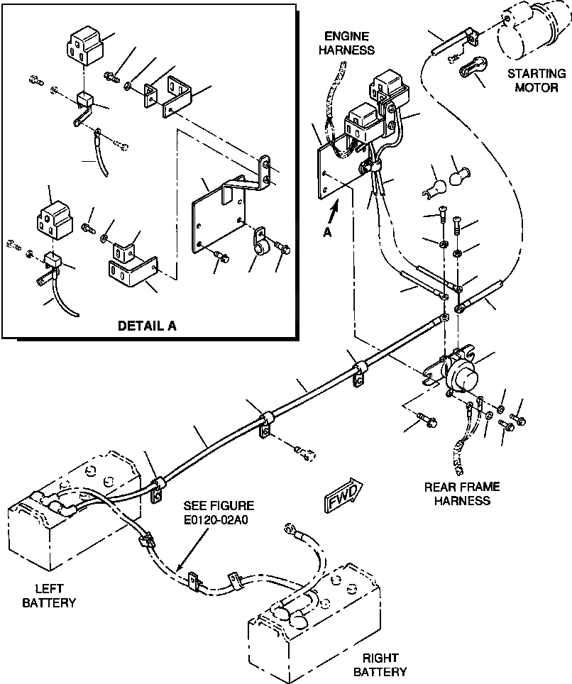
Запчасти Komatsu WA420-3MC FIG. E-A ПРОВОДКА - ПРЕДОХРАНИТЕЛЬ И АККУМУЛЯТОР ЭЛЕКТРИКА

Схема запчастей Komatsu WA420-3MC - FIG. E-A ПРОВОДКА - ПРЕДОХРАНИТЕЛЬ И АККУМУЛЯТОР ЭЛЕКТРИКА
21
9
12
13
10
11
19
6
23
15
19
19
23
15
23
9
12
13
2
7
2
10
3
3
8
23
16
17
22
7
11
7
21
20
1
18
5
4
20
18
14
20
5
4
FIT
1:1
100%

Артикул

Название

Примечание

Количество

1

08088-30000

SWITCH

SN: A31001-UP-UP

1шт.

2

01220-40408

SCREW

SN: A31001-UP-UP

2шт.

3

01601-20410

WASHER, SPRING

SN: A31001-UP-UP

2шт.

4

01220-40420

SCREW

SN: A31001-UP-UP

2шт.

5

01601-20410

WASHER, SPRING

SN: A31001-UP-UP

2шт.

6

421-06-22820

FUSE, SLOW BLOW - 80 A

SN: A31001-UP-UP

1шт.

7

423-06-A1170

WIRE

SN: A31001-UP-UP

1шт.

8

421-06-22840

FUSE, 30 A

SN: A31001-UP-UP

1шт.

9

421-06-22880

HOLDER

SN: A31001-UP-UP

2шт.

|$9

421-06-22990

BOLT WITH WASHER

SN: A31001-UP-UP

4шт.

10

421-06-22910

BRACKET

SN: A31001-UP-UP

2шт.

11

421-06-22920

BRACKET

SN: A31001-UP-UP

2шт.

12

01435-00816

BOLT

SN: A31001-UP-UP

2шт.

13

01643-30823

WASHER

SN: A31001-UP-UP

2шт.

14

01435-00830

BOLT

SN: A31001-UP-UP

2шт.

15

419-06-21110

BRACKET

SN: A31001-UP-UP

1шт.

16

04434-52212

CLIP

SN: A31001-UP-UP

1шт.

17

01435-01016

BOLT

SN: A31001-UP-UP

1шт.

18

423-06-A1180

WIRE

SN: A31001-UP-UP

1шт.

19

08038-00035

CAP

SN: A31001-UP-UP

3шт.

20

08036-01814

CLIP

SN: A31001-UP-UP

3шт.

21

424-06-A1170

CABLE

SN: A31001-UP-UP

1шт.

22

01435-01020

BOLT

SN: A31001-UP-UP

2шт.

23

421-06-22410

WIRE

SN: A31001-UP-UP

1шт.

Выбрано товаров: 24