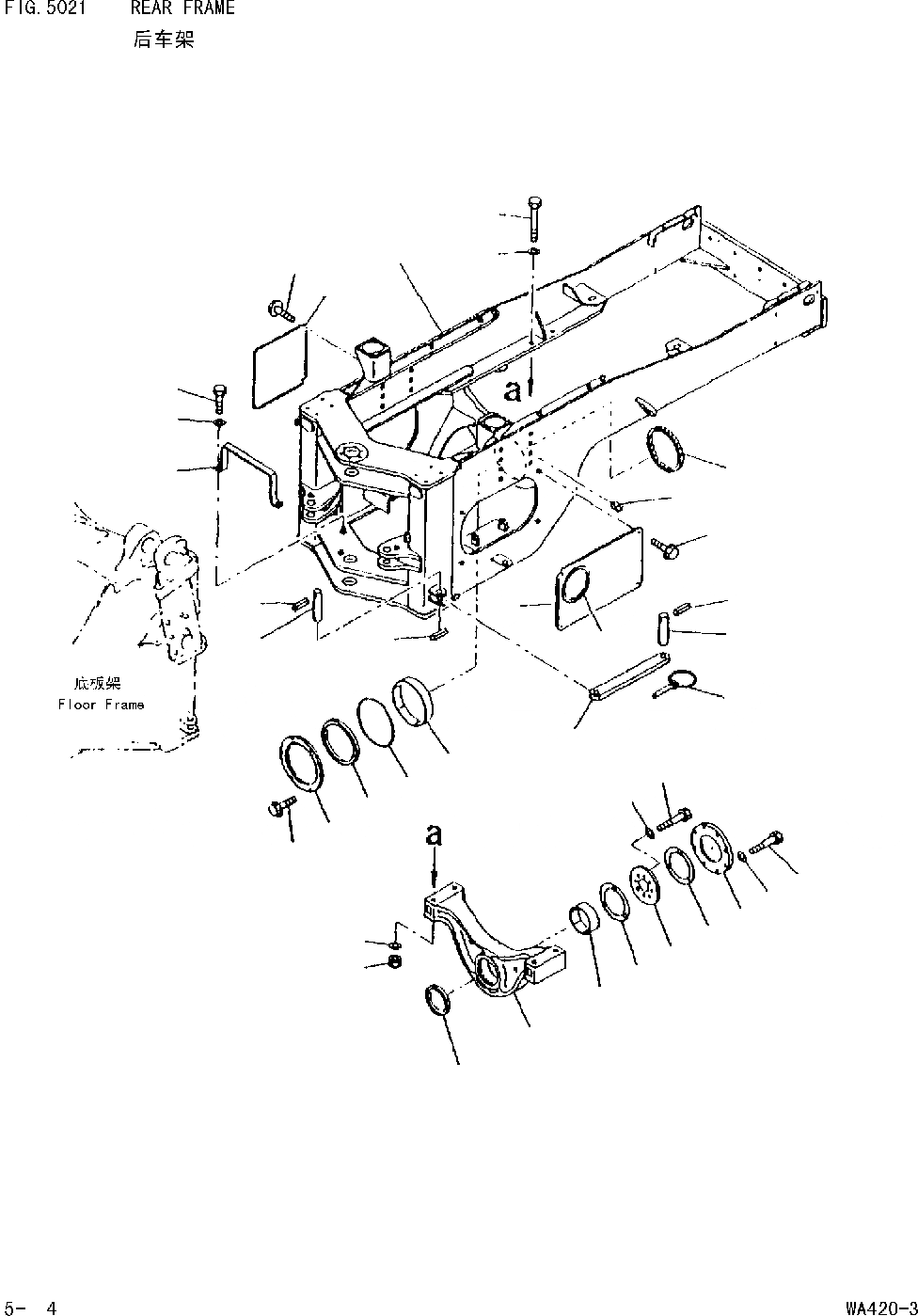
Запчасти Komatsu WA420-DZ-3 ЗАДН. РАМА [РАМА И ЧАСТИ КОРПУСА]

Схема запчастей Komatsu WA420-DZ-3 - ЗАДН. РАМА [РАМА И ЧАСТИ КОРПУСА]
18
19
1
23
24
31
32
30
27
26
28
21
22
33
24
7
4
5
6
2
25
14
13
19
20
10
8
9
12
11
12
29
17
15
16
26
27
3
FIT
1:1
100%

Артикул

Название

Примечание

Количество

1

424-46-22701

FRAME,REAR

Field_2: 10001-

1шт.

2

424-46-12162

BUSHING,FRONT

Field_2: 10001-

1шт.

3

421-46-15121

PACKING

Field_2: 10001-

1шт.

4

424-46-12310

RETAINER

Field_2: 10001-

1шт.

5

421-46-15112

PACKING

Field_2: 10001-

1шт.

6

07000-15305

O-RING

Field_2: 10001-

1шт.

7

01435-01235

BOLT

Field_2: 10001-

6шт.

8

424-46-12156

SUPPORT,REAR

Field_2: 10001-

1шт.

9

424-46-12172

BUSHING

Field_2: 10001-

1шт.

10

421-46-15132

PACKING

Field_2: 10001-

1шт.

11

424-46-12221

PLATE,THRUST

Field_2: 10001-

1шт.

12

424-46-12182

WASHER,THRUST

Field_2: 10001-

2шт.

13

01010-61665

BOLT

Field_2: 10001-

8шт.

14

01643-31645

WASHER

Field_2: 10001-

8шт.

15

424-46-12191

COVER

Field_2: 10001-

1шт.

16

01010-61665

BOLT

Field_2: 10001-

8шт.

17

01643-31645

WASHER

Field_2: 10001-

8шт.

18

01011-62790

BOLT

Field_2: 10001-

4шт.

19

01643-32780

WASHER

Field_2: 10001-

8шт.

20

01580-02722

NUT

Field_2: 10001-

4шт.

21

424-46-24110

COVER,L.H

Field_2: 10001-

1шт.

22

417-04-21210

FINISHER

Field_2: 10001-

1шт.

23

423-46-24120

COVER,R.H

Field_2: 10001-

1шт.

24

01435-01220

BOLT

Field_2: 10001-

8шт.

25

421-46-12920

BAR,LOCK

Field_2: 10001-

1шт.

26

421-46-12721

PIN

Field_2: 10001-

2шт.

27

04025-01065

PIN,SPRING

Field_2: 10001-

1шт.

28

04050-10060

PIN,SPRING

Field_2: 10001-

1шт.

29

421-46-12740

PIN,LINCH

Field_2: 10001-

1шт.

30

424-46-22740

GUARD

Field_2: 10001-

1шт.

31

01010-81635

BOLT

Field_2: 10001-

2шт.

32

01643-31645

WASHER

Field_2: 10001-

2шт.

33

07049-03038

PLUG

Field_2: 10001-

8шт.

Выбрано товаров: 33