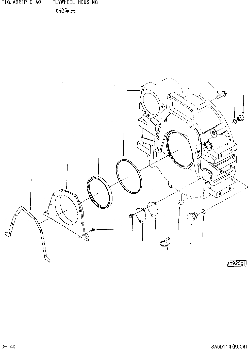
Запчасти Komatsu WA420-DZ-3 КАРТЕР МАХОВИКА [ДВИГАТЕЛЬ SAD 988 И UP]

Схема запчастей Komatsu WA420-DZ-3 - КАРТЕР МАХОВИКА [ДВИГАТЕЛЬ SAD 988 И UP]
16
10
7
8
12
13
3
2
6
5
14
15
4
9
11
1
FIT
1:1
100%

Артикул

Название

Примечание

Количество

1

6732-11-1920

PLUG

Field_2: 21243988-

1шт.

2

6735-21-4150

PLUG

Field_2: 21243988-

1шт.

3

6735-21-4160

O-RING

Field_2: 21243988-

1шт.

4

6732-21-4140

GASKET

Field_2: 21243988-

1шт.

5

6732-21-4150

PLUG

Field_2: 21243988-

1шт.

6

6732-21-4160

O-RING

Field_2: 21243988-

1шт.

7

6732-21-1310

SEAL

Field_2: 21243988-

1шт.

8

6742-01-3650

COVER

Field_2: 21243988-

1шт.

9

6735-21-4120

BOLT

Field_2: 21243988-

2шт.

10

6732-21-4170

SEAL

Field_2: 21243988-

1шт.

11

6732-21-4180

BOLT

Field_2: 21243988-

8шт.

12

6742-01-0990

GASKET

Field_2: 21243988-

1шт.

13

6732-21-4220

BOLT

Field_2: 21243988-

12шт.

14

6735-21-4240

CLIP

Field_2: 21243988-

1шт.

15

6732-21-4250

PLATE

Field_2: 21243988-

1шт.

16

1307676H1

HOUSING,FLYWHEEL

Field_2: 21243988-

1шт.

Выбрано товаров: 16