Запчасти Komatsu WA430-5 ОСНОВН. КЛАПАН (ONLY 3-Х СЕКЦИОНН. КЛАПАН) ГИДРАВЛИКА

Схема запчастей Komatsu WA430-5 - ОСНОВН. КЛАПАН (ONLY 3-Х СЕКЦИОНН. КЛАПАН) ГИДРАВЛИКА
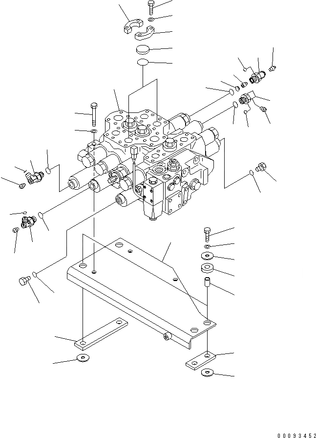
1
2
3
4
5
6
7
7
7
8
9
10
11
12
13
14
15
15
16
17
17
17
17
18
18
18
18
19
19
19
19
20
20
21
21
22
22
23
24
25
26
FIT
1:1
100%

Артикул

Название

Примечание

Количество

1

709-93-12500

CONTROL VALVE

SN: 60001-UP

1шт.

2

423-64-33111

BRACKET

SN: 60001-UP

1шт.

3

01010-81295

BOLT

SN: 60001-UP

3шт.

4

01643-31232

WASHER

SN: 60001-UP

3шт.

5

419-43-17930

CUSHION

SN: 60001-UP

4шт.

6

417-54-13470

SPACER

SN: 60001-UP

4шт.

7

419-43-17920

WASHER

SN: 60001-UP

8шт.

8

01010-81255

BOLT

SN: 60001-UP

4шт.

9

01643-31232

WASHER

SN: 60001-UP

4шт.

10

424-64-23120

CUSHION

SN: 60001-UP

1шт.

11

424-64-23130

CUSHION

SN: 60001-UP

1шт.

|$17

424-62-33121

VALVE ASS'Y

SN: 60001-UP

1шт.

12

424-62-33130

ELBOW

SN: 60001-UP

1шт.

13

423-62-23890

VALVE

SN: 60001-UP

1шт.

14

423-62-23910

VALVE

SN: 60001-UP

1шт.

15

424-62-33610

VALVE ASS'Y

SN: 60001-UP

2шт.

15

424-62-33620

ELBOW

SN: 60001-UP

2шт.

15

423-62-23890

VALVE

SN: 60001-UP

2шт.

15

423-62-23910

VALVE

SN: 60001-UP

2шт.

16

19M-61-35150

ELBOW

SN: 60001-UP

1шт.

17

07002-12034

O-RING

SN: 60001-UP

4шт.

18

07042-30108

PLUG

SN: 60001-UP

4шт.

19

02896-11009

O-RING

SN: 60001-UP

4шт.

20

07040-12012

PLUG

SN: 60001-UP

2шт.

21

07002-12034

O-RING

SN: 60001-UP

2шт.

22

07371-31465

FLANGE

SN: 60001-UP

4шт.

23

07378-11400

HEAD

SN: 60001-UP

2шт.

24

07372-21240

BOLT

SN: 60001-UP

8шт.

25

01643-51232

WASHER

SN: 60001-UP

8шт.

26

07000-13048

O-RING

SN: 60001-UP

2шт.

Выбрано товаров: 30