Запчасти Komatsu WA430-5 ГИДРОТРАНСФОРМАТОР И ТРАНСМИССИЯ (МОНТАЖНЫЙ КАРКАС) СИЛОВАЯ ПЕРЕДАЧА

Схема запчастей Komatsu WA430-5 - ГИДРОТРАНСФОРМАТОР И ТРАНСМИССИЯ (МОНТАЖНЫЙ КАРКАС) СИЛОВАЯ ПЕРЕДАЧА
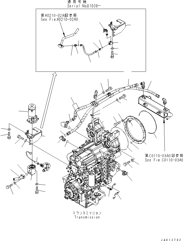
1
2
3
4
5
6
7
8
9
10
11
12
13
14
14
15
16
17
18
19
20
21
22
23
24
25
26
27
28
29
30
31
31
32
33
34
35
36
37
37
38
39
40
41
42
43
44
45
46
47
48
FIT
1:1
100%

Артикул

Название

Примечание

Количество

1

01010-61035

BOLT

SN: 60001-UP

12шт.

2

01643-31032

WASHER

SN: 60001-UP

12шт.

3

424-13-11110

O-RING

SN: 60001-UP

1шт.

4

07000-12012

O-RING

SN: 60001-UP

1шт.

5

424-16-31211

ADAPTER

SN: 60001-UP

1шт.

6

01010-61035

BOLT

SN: 60001-UP

12шт.

7

01643-31032

WASHER

SN: 60001-UP

12шт.

8

07049-01012

PLUG

SN: 60001-UP

3шт.

9

120-10-31120

O-RING

SN: 60001-UP

1шт.

10

424-09-31120

HOSE

SN: 60001-UP

1шт.

11

424-09-31110

HOSE

SN: 60001-UP

1шт.

12

21W-62-42640

ELBOW

SN: 60001-UP

1шт.

13

07002-23334

O-RING

SN: 60001-UP

1шт.

14

421-09-31140

O-RING

SN: 60001-UP

2шт.

15

08210-02902

SPIRAL TUBE

SN: 60001-UP

2шт.

16

42C-43-12941

SWITCH

SN: 60001-UP

1шт.

17

7861-93-2330

SENSOR

SN: 60001-UP

1шт.

18

01010-81020

BOLT

SN: 60001-UP

2шт.

19

01643-31032

WASHER

SN: 60001-UP

2шт.

20

04434-51610

CLIP

SN: 60001-UP

1шт.

21

01010-81020

BOLT

SN: 60001-UP

1шт.

22

01643-31032

WASHER

SN: 60001-UP

1шт.

23

08210-01802

SPIRAL TUBE

SN: 60001-UP

2шт.

24

195-49-36120

NIPPLE

SN: 60001-UP

2шт.

25

421-62-32700

MOTOR ASS'Y

SN: 60001-UP

1шт.

26

01010-81035

BOLT

SN: 60001-UP

4шт.

27

01643-31032

WASHER

SN: 60001-UP

4шт.

28

705-40-01020

PUMP ASS'Y

SN: 60001-UP

1шт.

29

01010-81030

BOLT

SN: 60001-UP

2шт.

30

01643-31032

WASHER

SN: 60001-UP

2шт.

31

423-62-32141

BRACKET

SN: 61036-UP

1шт.

31

423-62-32140

BRACKET

SN: 60001-61035

1шт.

32

01010-81640

BOLT

SN: 60001-UP

2шт.

33

01643-31645

WASHER

SN: 60001-UP

2шт.

34

424-62-32140

NIPPLE

SN: 61036-UP

1шт.

35

415-62-11560

O-RING

SN: 61036-UP

1шт.

36

02767-002A3

HOSE

SN: 61036-UP

1шт.

37

02896-11008

O-RING

SN: 61036-UP

2шт.

38

20Y-62-41970

NIPPLE

SN: 61036-UP

1шт.

39

07002-11423

O-RING

SN: 61036-UP

1шт.

40

424-62-32160

ELBOW

SN: 61036-UP

1шт.

41

01010-81016

BOLT

SN: 61036-UP

1шт.

42

01643-31032

WASHER

SN: 61036-UP

1шт.

43

08034-20519

BAND

SN: 61036-UP

1шт.

44

421-06-35111

SWITCH,PRESSURE

SN: 60001-UP

1шт.

45

424-62-32130

TUBE

SN: 60001-UP

1шт.

46

07000-13032

O-RING

SN: 60001-UP

1шт.

47

07372-21040

BOLT

SN: 60001-UP

4шт.

48

01643-31032

WASHER

SN: 60001-UP

4шт.

Выбрано товаров: 49