Запчасти Komatsu WA430-5 ОСНОВН. КОНСТРУКЦИЯ (ПРОВОДКА) (/) КАБИНА ОПЕРАТОРА И СИСТЕМА УПРАВЛЕНИЯ

Схема запчастей Komatsu WA430-5 - ОСНОВН. КОНСТРУКЦИЯ (ПРОВОДКА) (/) КАБИНА ОПЕРАТОРА И СИСТЕМА УПРАВЛЕНИЯ
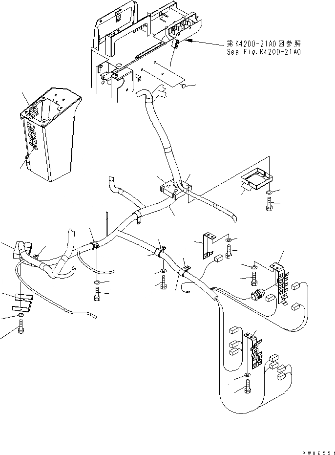
1
2
2
3
4
5
6
7
8
9
10
11
12
13
13
13A
13A
14
15
16
16
17
18
19
20
21
22
23
23
24
25
26
FIT
1:1
100%

Артикул

Название

Примечание

Количество

1

424-06-31180

WIRING HARNESS

SN: 60001-UP

1шт.

2

08192-24100

CONNECTOR

SN: 60001-UP

2шт.

3

363-54-32220

PLUG

SN: 60001-UP

2шт.

4

423-06-31141

BRACKET

SN: 60001-UP

1шт.

5

01010-81020

BOLT

SN: 60001-UP

2шт.

6

01643-31032

WASHER

SN: 60001-UP

2шт.

7

423-06-31152

BRACKET

SN: 60027-UP

1шт.

|7

0

BRACKET

SN: 60001-60026

1шт.

8

01010-81020

BOLT

SN: 60001-UP

2шт.

9

01643-31032

WASHER

SN: 60001-UP

2шт.

10

423-06-31161

BRACKET

SN: 60001-UP

1шт.

11

01010-81020

BOLT

SN: 60001-UP

2шт.

12

01643-31032

WASHER

SN: 60001-UP

2шт.

13

155-61-15350

CLIP

SN: 60001-UP

2шт.

13A

22M-62-13660

CUSHION

SN: 60001-UP

2шт.

14

01010-81020

BOLT

SN: 60001-UP

2шт.

15

01643-31032

WASHER

SN: 60001-UP

2шт.

16

04434-53411

CLIP

SN: 60001-UP

2шт.

17

01010-81020

BOLT

SN: 60001-UP

2шт.

18

01643-31032

WASHER

SN: 60001-UP

2шт.

19

42C-06-11281

SHEET

SN: 60001-UP

1шт.

20

42C-06-11290

PLATE

SN: 60001-UP

1шт.

21

01010-80612

BOLT

SN: 60001-UP

2шт.

22

01643-30623

WASHER

SN: 60001-UP

2шт.

23

423-06-31210

SHEET

SN: 60001-UP

2шт.

24

42C-06-11250

PLATE

SN: 60001-UP

2шт.

25

01010-80612

BOLT

SN: 60001-UP

4шт.

26

01643-30623

WASHER

SN: 60001-UP

4шт.

Выбрано товаров: 28