Запчасти Komatsu WA430-6 ОСНОВН. КЛАПАН (ДЛЯ 2-Х СЕКЦИОНН. КЛАПАН) (ДЛЯ E.C.S.S.)(№-) ГИДРАВЛИКА

Схема запчастей Komatsu WA430-6 - ОСНОВН. КЛАПАН (ДЛЯ 2-Х СЕКЦИОНН. КЛАПАН) (ДЛЯ E.C.S.S.)(№-) ГИДРАВЛИКА
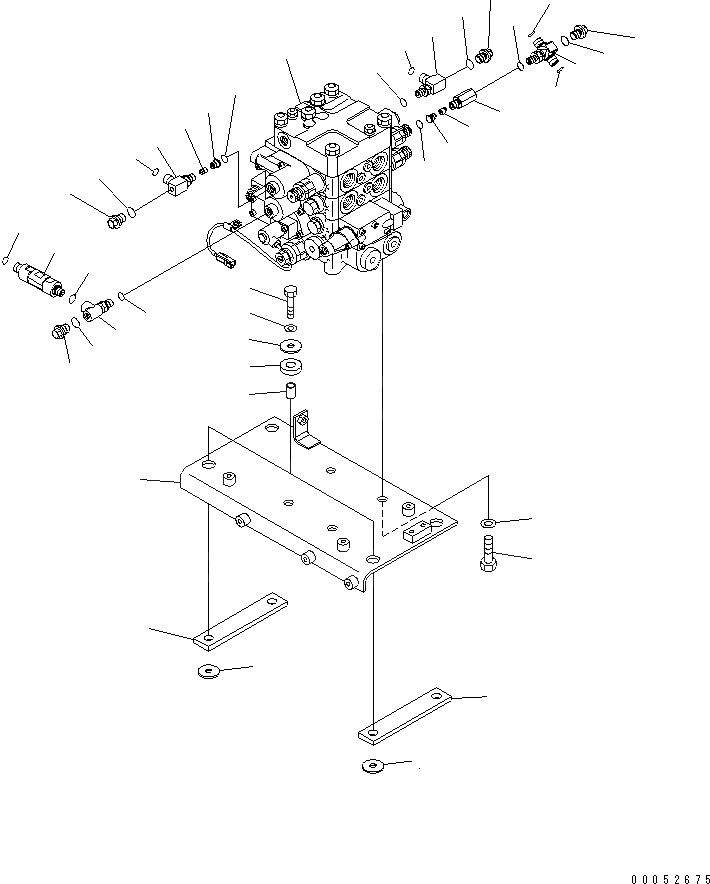
1
2
3
4
5
6
7
7
7
8
9
10
10
11
12
13
14
15
16
17
18
19
20
21
22
23
24
25
25
26
27
28
29
30
31
31
31
31
32
32
32
32
FIT
1:1
100%

Артикул

Название

Примечание

Количество

1

723-53-16202

CONTROL VALVE

SN: 65246-UP

1шт.

1

0

CONTROL VALVE

SN: 65098-65245

1шт.

1

0

CONTROL VALVE

SN: 65001-65097

1шт.

2

423-64-45120

BRACKET

SN: 65001-UP

1шт.

3

01010-81635

BOLT

SN: 65001-UP

4шт.

4

01643-31645

WASHER

SN: 65001-UP

4шт.

5

419-43-17930

CUSHION

SN: 65001-UP

4шт.

6

417-54-13470

SPACER

SN: 65001-UP

4шт.

7

419-43-17920

WASHER

SN: 65001-UP

8шт.

8

01010-81255

BOLT

SN: 65001-UP

4шт.

9

01643-31232

WASHER

SN: 65001-UP

4шт.

10

424-64-23130

CUSHION

SN: 65001-UP

2шт.

11

423-62-34290

ELBOW

SN: 65001-UP

1шт.

12

07002-11423

O-RING

SN: 65001-UP

1шт.

13

02896-11009

O-RING

SN: 65001-UP

1шт.

|$20

423-62-35440

VALVE ASS'Y

SN: 65001-UP

1шт.

14

418-62-34490

ELBOW

SN: 65001-UP

1шт.

15

203-60-62320

POPPET

SN: 65001-UP

1шт.

16

423-62-35450

PLUG

SN: 65001-UP

1шт.

17

07002-11423

O-RING

SN: 65001-UP

1шт.

18

02896-11009

O-RING

SN: 65001-UP

1шт.

19

423-62-43640

VALVE ASS'Y

SN: 65001-UP

1шт.

20

21W-973-3420

POPPET

SN: 65001-UP

1шт.

21

21Y-62-11591

PLUG

SN: 65001-UP

1шт.

22

07002-11423

O-RING

SN: 65001-UP

1шт.

23

423-62-34591

TEE

SN: 65001-UP

1шт.

24

07002-11423

O-RING

SN: 65001-UP

1шт.

25

02896-11009

O-RING

SN: 65001-UP

2шт.

26

22F-62-11990

TEE

SN: 65001-UP

1шт.

27

07002-11423

O-RING

SN: 65001-UP

1шт.

28

702-19-35101

VALVE ASS'Y

SN: 65001-UP

1шт.

29

02896-11009

O-RING

SN: 65001-UP

1шт.

30

07002-11423

O-RING

SN: 65001-UP

1шт.

31

708-8E-16150

PLUG

SN: 65001-UP

4шт.

32

07002-11023

O-RING

SN: 65001-UP

4шт.

Выбрано товаров: 35