Запчасти Komatsu WA430-6 РАДИАТОР (ГИДРАВЛ ОХЛАДИТЕЛЬ)(№-) СИСТЕМА ОХЛАЖДЕНИЯ

Схема запчастей Komatsu WA430-6 - РАДИАТОР (ГИДРАВЛ ОХЛАДИТЕЛЬ)(№-) СИСТЕМА ОХЛАЖДЕНИЯ
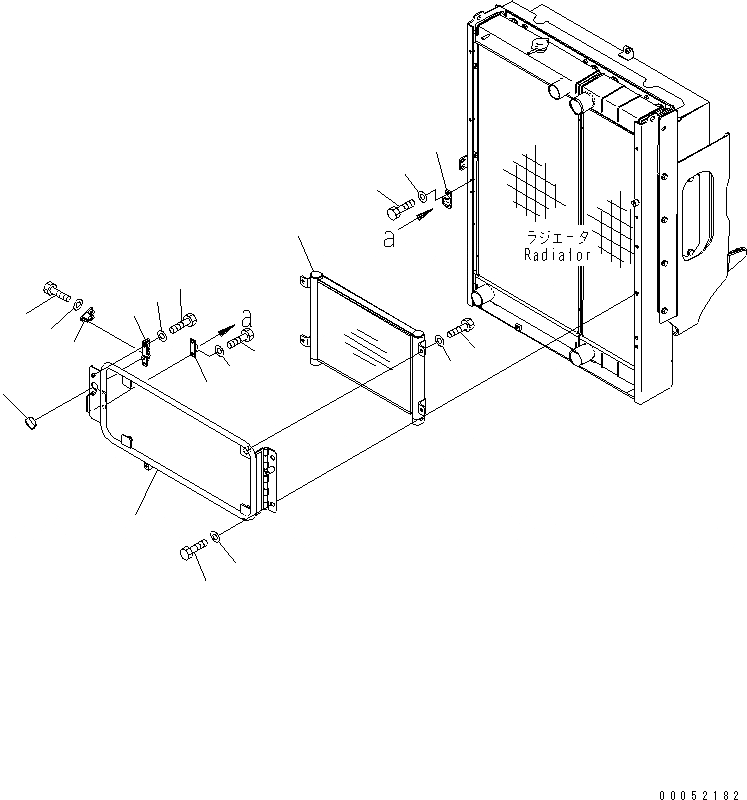
1
2
3
4
5
6
7
8
9
10
11
12
13
14
15
16
16
17
17
FIT
1:1
100%

Артикул

Название

Примечание

Количество

1

424-03-41221

OIL COOLER,HYDRAULIC

SN: 65001-UP

1шт.

2

01010-81020

BOLT

SN: 65001-UP

4шт.

3

01643-31032

WASHER

SN: 65001-UP

4шт.

4

424-03-41211

BRACKET

SN: 65001-UP

1шт.

5

01010-81225

BOLT

SN: 65001-UP

2шт.

6

01643-31232

WASHER

SN: 65001-UP

2шт.

7

419-54-H1780

LOCK

SN: 65001-UP

1шт.

8

419-54-H1900

GRIP

SN: 65001-UP

1шт.

9

01010-80820

BOLT

SN: 65001-UP

2шт.

10

01643-30823

WASHER

SN: 65001-UP

2шт.

11

424-03-41280

STRIKER

SN: 65001-UP

1шт.

12

01010-81025

BOLT

SN: 65001-UP

2шт.

13

01643-31032

WASHER

SN: 65001-UP

2шт.

14

566-54-23460

DOVE TAIL

SN: 65001-UP

1шт.

15

566-54-23470

DOVE TAIL

SN: 65001-UP

1шт.

16

01010-80616

BOLT

SN: 65001-UP

4шт.

17

01643-30623

WASHER

SN: 65001-UP

4шт.

Выбрано товаров: 0