Запчасти Komatsu WA430-6 ЦИЛИНДР РУЛЕВ. УПР-Я (ПАЛЕЦ)(№-) ОСНОВНАЯ РАМА И ЕЕ ЧАСТИ

Схема запчастей Komatsu WA430-6 - ЦИЛИНДР РУЛЕВ. УПР-Я (ПАЛЕЦ)(№-) ОСНОВНАЯ РАМА И ЕЕ ЧАСТИ
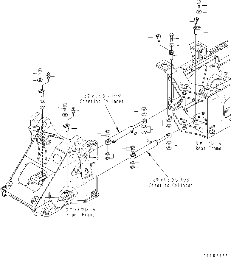
1
1
2
2
3
3
3
3
4
4
4
4
5
5
5
5
6
6
6
6
7
7
8
8
FIT
1:1
100%

Артикул

Название

Примечание

Количество

1

423-46-21180

PIN

SN: 65001-UP

2шт.

2

423-46-21180

PIN

SN: 65001-UP

2шт.

3

01010-81220

BOLT

SN: 65001-UP

4шт.

4

175-54-34170

WASHER

SN: 65001-UP

4шт.

5

416-70-11351

SHIM, 1.0MM

SN: 65001-UP

8шт.

5

424-46-12541

SHIM, 0.5MM

SN: 65001-UP

8шт.

6

423-46-22171

SHIM, 1.0MM

SN: 65001-UP

8шт.

6

423-46-22181

SHIM, 0.5MM

SN: 65001-UP

8шт.

7

423-09-12110

CONNECTOR

SN: 65001-UP

2шт.

8

07020-00675

FITTING,GREASE

SN: 65001-UP

2шт.

Выбрано товаров: 0