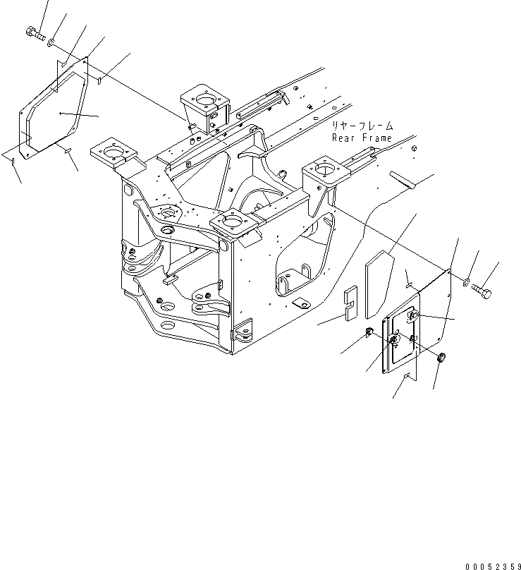
Запчасти Komatsu WA430-6 БЛОКИР. ШАНГА И КРЫШКА(БОКОВ. КРЫШКА)(№-) ОСНОВНАЯ РАМА И ЕЕ ЧАСТИ

Схема запчастей Komatsu WA430-6 - БЛОКИР. ШАНГА И КРЫШКА(БОКОВ. КРЫШКА)(№-) ОСНОВНАЯ РАМА И ЕЕ ЧАСТИ
1
2
3
4
5
6
6
7
8
9
10
11
12
13
13
13
13
14
15
FIT
1:1
100%

Артикул

Название

Примечание

Количество

1

423-46-44841

COVER,L.H.

SN: 65001-UP

1шт.

2

22M-54-19170

STOPPER

SN: 65001-UP

1шт.

3

421-06-24180

HINGE

SN: 65001-UP

2шт.

4

423-46-44851

SHEET

SN: 65001-UP

1шт.

5

423-46-44860

SHEET

SN: 65001-UP

1шт.

6

421-09-21420

SHEET

SN: 65001-UP

2шт.

7

01010-D1225

BOLT

SN: 65001-UP

5шт.

8

01643-71232

WASHER

SN: 65001-UP

5шт.

9

08037-02512

GROMMET

SN: 65001-UP

1шт.

10

205-60-71220

LOCK ASS'Y

SN: 65001-UP

1шт.

11

423-46-34870

COVER,R.H.

SN: 65001-UP

1шт.

12

423-46-34880

SHEET

SN: 65001-UP

1шт.

13

421-09-21420

SHEET

SN: 65001-UP

4шт.

14

01010-D1225

BOLT

SN: 65001-UP

5шт.

15

01643-71232

WASHER

SN: 65001-UP

5шт.

Выбрано товаров: 0