Запчасти Komatsu WA430-6 ЦИЛИНДР КОВША (ДЛЯ КРОМЕ ЯПОН.)(№-) РАБОЧЕЕ ОБОРУДОВАНИЕ

Схема запчастей Komatsu WA430-6 - ЦИЛИНДР КОВША (ДЛЯ КРОМЕ ЯПОН.)(№-) РАБОЧЕЕ ОБОРУДОВАНИЕ
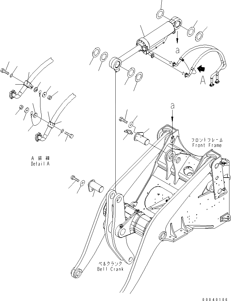
1
2
3
4
5
6
6
7
8
9
9
10
10
11
11
12
12
13
13
14
14
15
15
16
17
18
19
19
20
20
FIT
1:1
100%

Артикул

Название

Примечание

Количество

1

707-01-XP780

CYLINDER SUB ASS'Y,(SEE FIG. Y1620-11A0)

SN: 65001-UP

1шт.

2

424-70-11950

PIN

SN: 65001-UP

1шт.

3

07020-00900

FITTING,GREASE

SN: 65001-UP

1шт.

4

01010-81630

BOLT

SN: 65001-UP

1шт.

5

421-70-11280

WASHER

SN: 65001-UP

1шт.

6

423-70-41980

SHIM, 1.0MM

SN: 65001-UP

2шт.

7

421-70-11481

SHIM, 3.0MM

SN: 65001-UP

1шт.

8

419-62-13460

WIRE

SN: 65001-UP

1шт.

9

04434-53411

CLIP

SN: 65001-UP

2шт.

10

07095-20627

CUSHION

SN: 65001-UP

2шт.

11

201-54-35890

COLLAR

SN: 65001-UP

2шт.

12

01010-80830

BOLT

SN: 65001-UP

2шт.

13

01643-30823

WASHER

SN: 65001-UP

2шт.

14

01580-10806

NUT

SN: 65001-UP

2шт.

15

11Y-54-18190

WASHER

SN: 65001-UP

2шт.

16

424-70-11940

PIN

SN: 65001-UP

1шт.

17

01010-81630

BOLT

SN: 65001-UP

1шт.

18

421-70-11280

WASHER

SN: 65001-UP

1шт.

19

423-70-41980

SHIM, 1.0MM

SN: 65001-UP

2шт.

20

421-70-11481

SHIM, 3.0MM

SN: 65001-UP

2шт.

Выбрано товаров: 20