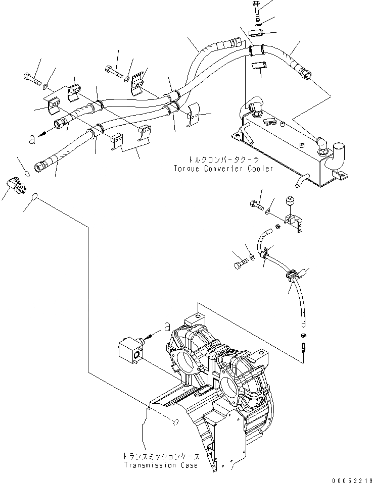
Запчасти Komatsu WA430-6 ГИДРОТРАНСФОРМАТОР И ТРАНСМИССИЯ (ГИДРОТРАНСФОРМАТОР ЛИНИЯ ОХЛАЖДЕНИЯ)(№-) СИЛОВАЯ ПЕРЕДАЧА

Схема запчастей Komatsu WA430-6 - ГИДРОТРАНСФОРМАТОР И ТРАНСМИССИЯ (ГИДРОТРАНСФОРМАТОР ЛИНИЯ ОХЛАЖДЕНИЯ)(№-) СИЛОВАЯ ПЕРЕДАЧА
1
1
2
2
3
4
5
6
6
6
6
6
7
7
7
8
8
9
9
10
10
11
11
12
13
14
15
16
17
18
19
20
21
FIT
1:1
100%

Артикул

Название

Примечание

Количество

1

424-09-41131

HOSE

SN: 65001-UP

1шт.

2

424-09-41122

HOSE

SN: 65001-UP

1шт.

3

421-09-31210

ELBOW

SN: 65001-UP

1шт.

4

07002-23334

O-RING

SN: 65001-UP

1шт.

5

421-09-31140

O-RING

SN: 65001-UP

2шт.

6

07094-11024

CLAMP

SN: 65001-UP

6шт.

7

07095-01035

CUSHION

SN: 65001-UP

3шт.

8

01010-81285

BOLT

SN: 65001-UP

6шт.

9

01643-31232

WASHER

SN: 65001-UP

6шт.

10

07094-31024

CLAMP

SN: 65001-UP

2шт.

11

07095-01035

CUSHION

SN: 65001-UP

2шт.

12

01010-81285

BOLT

SN: 65001-UP

2шт.

13

01643-31232

WASHER

SN: 65001-UP

2шт.

14

01010-81020

BOLT

SN: 65001-UP

2шт.

15

01643-31032

WASHER

SN: 65001-UP

2шт.

16

07095-00420

CUSHION

SN: 65001-UP

1шт.

17

08034-20519

BAND

SN: 65001-UP

2шт.

18

04434-52310

CLIP

SN: 65001-UP

1шт.

19

07095-20318

CUSHION

SN: 65001-UP

1шт.

20

01010-81025

BOLT

SN: 65001-UP

1шт.

21

01643-31032

WASHER

SN: 65001-UP

1шт.

Выбрано товаров: 21