Запчасти Komatsu WA430-6 ТРАНСМИССИЯ (ОСНОВН. РАЗГРУЗ. КЛАПАН ЭЛЕМЕНТЫ КРЕПЛЕНИЯ)(№-) СИЛОВАЯ ПЕРЕДАЧА

Схема запчастей Komatsu WA430-6 - ТРАНСМИССИЯ (ОСНОВН. РАЗГРУЗ. КЛАПАН ЭЛЕМЕНТЫ КРЕПЛЕНИЯ)(№-) СИЛОВАЯ ПЕРЕДАЧА
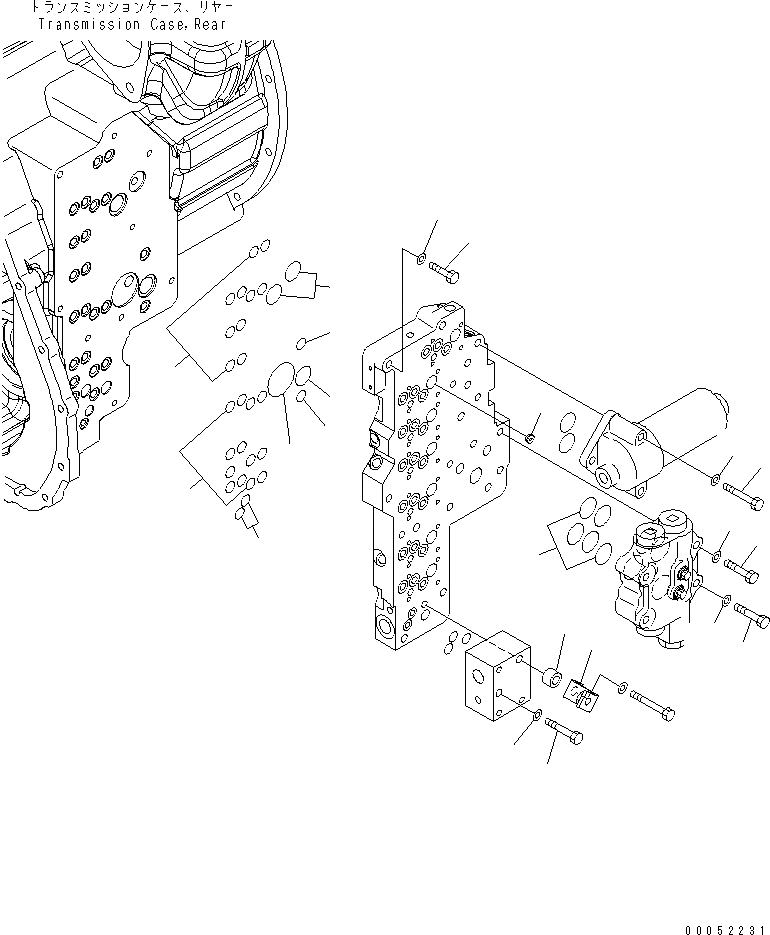
1
2
3
4
5
6
7
8
9
10
11
12
13
14
15
15
16
16
16
16
17
18
FIT
1:1
100%

Артикул

Название

Примечание

Количество

|$4

714-17-30003

TRANSMISSION ASS'Y

SN: 65499-UP

1шт.

|$5

714-17-30002

TRANSMISSION ASS'Y

SN: 65360-65498

1шт.

|$6

714-17-30001

TRANSMISSION ASS'Y

SN: 65185-65359

1шт.

|$7

714-17-30000

TRANSMISSION ASS'Y

SN: 65001-65184

1шт.

|$$5

THESE ASSEMBLIES CONSISTS OF ALL PARTS SHOWN IN FIGS.F4350-51A0 TO F4350-64A0.

-1шт.

|$15

714-17-35001

VALVE ASS'Y,MAIN

SN: 65001-UP

1шт.

1

07000-73030

O-RING (K2)

SN: 65001-UP

5шт.

2

01010-81065

BOLT

SN: 65001-UP

2шт.

3

01643-31032

WASHER

SN: 65001-UP

2шт.

4

714-07-35180

ORIFICE

SN: 65001-UP

2шт.

5

421-06-31351

PLATE

SN: 65001-UP

1шт.

6

195-01-14540

COLLAR

SN: 65001-UP

1шт.

7

01010-81060

BOLT

SN: 65001-UP

6шт.

8

01643-31032

WASHER

SN: 65001-UP

6шт.

9

01011-81025

BOLT

SN: 65001-UP

1шт.

10

01643-31032

WASHER

SN: 65001-UP

1шт.

11

01011-81005

BOLT

SN: 65001-UP

2шт.

12

01643-31032

WASHER

SN: 65001-UP

2шт.

13

01011-81015

BOLT

SN: 65001-UP

1шт.

14

01643-31032

WASHER

SN: 65001-UP

1шт.

15

07000-73028

O-RING (K1)

SN: 65001-UP

3шт.

16

07000-72015

O-RING (K1)

SN: 65001-UP

25шт.

17

07000-72012

O-RING (K1)

SN: 65001-UP

2шт.

18

07000-73045

O-RING (K1)

SN: 65001-UP

1шт.

Выбрано товаров: 24