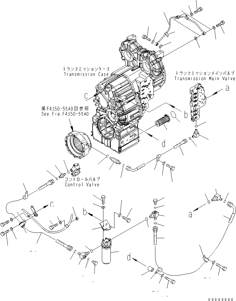
Запчасти Komatsu WA430-6 ТРАНСМИССИЯ (ГИДРОЛИНИЯ ТРАНСМИССИИ)(№99-) СИЛОВАЯ ПЕРЕДАЧА

Схема запчастей Komatsu WA430-6 - ТРАНСМИССИЯ (ГИДРОЛИНИЯ ТРАНСМИССИИ)(№99-) СИЛОВАЯ ПЕРЕДАЧА
1
2
3
3
4
4
5
5
6
6
7
7
8
9
10
11
12
13
14
14
15
16
17
18
19
20
21
22
23
24
25
26
27
28
29
30
31
32
33
34
35
36
37
38
38
39
39
39
39
40
40
41
42
43
44
45
46
47
48
49
50
51
52
FIT
1:1
100%

Артикул

Название

Примечание

Количество

|$1

714-17-30003

TRANSMISSION ASS'Y

SN: 65499-UP

1шт.

|$$2

THESE ASSEMBLIES CONSISTS OF ALL PARTS SHOWN IN FIGS.F4350-51A0 TO F4350-64A0.

-1шт.

1

56D-15-19311

STRAINER

SN: 65360-UP

1шт.

2

07000-75085

O-RING (K1)

SN: 65001-UP

1шт.

3

714-07-28100

ELBOW

SN: 65001-UP

2шт.

4

02896-61018

O-RING (K1)

SN: 65001-UP

2шт.

5

07040-11007

PLUG

SN: 65001-UP

2шт.

6

07002-61023

O-RING (K1)

SN: 65001-UP

2шт.

7

07002-63334

O-RING (K1)

SN: 65001-UP

2шт.

8

714-07-28703

FILTER ASS'Y

SN: 65499-UP

1шт.

8

714-07-28713

CARTRIDGE

SN: 65499-UP

1шт.

9

01010-81030

BOLT

SN: 65001-UP

4шт.

10

01643-31032

WASHER

SN: 65001-UP

4шт.

11

714-17-38751

SUPPORT

SN: 65001-UP

1шт.

12

01010-81230

BOLT

SN: 65001-UP

3шт.

13

01643-31232

WASHER

SN: 65001-UP

3шт.

14

714-07-28811

HOSE

SN: 65360-UP

1шт.

15

04434-52511

CLIP

SN: 65001-UP

1шт.

16

02782-10628

ELBOW

SN: 65001-UP

1шт.

17

02896-61018

O-RING (K1)

SN: 65001-UP

1шт.

18

07002-62434

O-RING (K1)

SN: 65001-UP

1шт.

19

01010-81050

BOLT

SN: 65001-UP

1шт.

20

01643-31032

WASHER

SN: 65001-UP

1шт.

21

6164-11-5590

SPACER

SN: 65001-UP

1шт.

22

04434-52511

CLIP

SN: 65001-UP

1шт.

23

714-17-38790

HOSE

SN: 65499-UP

1шт.

24

07094-10518

CLAMP

SN: 65499-UP

2шт.

25

07095-00525

CUSHION

SN: 65499-UP

1шт.

26

01010-81265

BOLT

SN: 65499-UP

1шт.

27

01643-31232

WASHER

SN: 65499-UP

1шт.

28

01010-81020

BOLT

SN: 65001-UP

1шт.

29

01643-31032

WASHER

SN: 65001-UP

1шт.

30

04434-52511

CLIP

SN: 65001-UP

1шт.

31

01010-81035

BOLT

SN: 65001-UP

1шт.

32

01643-31032

WASHER

SN: 65001-UP

1шт.

33

6240-21-5660

SPACER

SN: 65001-UP

1шт.

34

02781-00628

UNION

SN: 65001-UP

1шт.

35

02896-61018

O-RING (K1)

SN: 65001-UP

1шт.

36

07002-62434

O-RING (K1)

SN: 65001-UP

1шт.

37

714-17-38890

TUBE

SN: 65001-UP

1шт.

38

07206-30710

BOLT

SN: 65001-UP

3шт.

39

07005-01012

SEAL, WASHER

SN: 65001-UP

6шт.

40

04434-50610

CLIP

SN: 65001-UP

2шт.

41

01010-81020

BOLT

SN: 65001-UP

2шт.

42

01643-31032

WASHER

SN: 65001-UP

2шт.

43

02782-10311

ELBOW

SN: 65001-UP

1шт.

44

02896-61009

O-RING (K1)

SN: 65001-UP

1шт.

45

07002-61423

O-RING (K1)

SN: 65001-UP

1шт.

46

20U-62-41710

NIPPLE

SN: 65001-UP

1шт.

47

02896-61009

O-RING (K1)

SN: 65001-UP

1шт.

48

07002-61423

O-RING (K1)

SN: 65001-UP

1шт.

49

714-12-28820

HOSE

SN: 65001-UP

1шт.

50

04434-51610

CLIP

SN: 65001-UP

1шт.

51

01010-81020

BOLT

SN: 65001-UP

1шт.

52

01643-31032

WASHER

SN: 65001-UP

1шт.

Выбрано товаров: 0