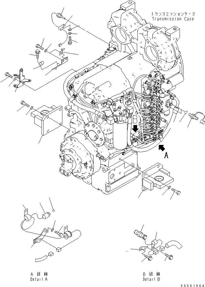
Запчасти Komatsu WA430-6 ТРАНСМИССИЯ НАВЕСН. ОБОРУД(№8-98) СИЛОВАЯ ПЕРЕДАЧА

Схема запчастей Komatsu WA430-6 - ТРАНСМИССИЯ НАВЕСН. ОБОРУД(№8-98) СИЛОВАЯ ПЕРЕДАЧА
1
1
2
2
3
3
4
5
6
7
8
9
10
11
12
13
13
14
15
16
17
18
19
20
21
22
22
23
24
25
26
27
28
FIT
1:1
100%

Артикул

Название

Примечание

Количество

1

424-01-41310

BRACKET

SN: 65001-@

2шт.

2

01010-61650

BOLT

SN: 65001-@

8шт.

3

01643-31645

WASHER

SN: 65001-@

8шт.

4

7861-93-3320

SENSOR

SN: 65001-@

1шт.

5

08193-21012

CLIP

SN: 65001-@

1шт.

6

01010-81025

BOLT

SN: 65001-@

2шт.

7

01643-31032

WASHER

SN: 65001-@

2шт.

8

01643-31032

WASHER

SN: 65001-@

1шт.

9

08193-21012

CLIP

SN: 65185-@

1шт.

10

799-101-5220

NIPPLE

SN: 65001-@

2шт.

11

07002-61023

O-RING

SN: 65001-@

2шт.

12

424-62-43571

BRACKET

SN: 65001-@

1шт.

13

600-051-2060

CLIP

SN: 65185-@

2шт.

14

418-43-37681

SWITCH,PRESSURE

SN: 65185-@

1шт.

15

07002-61423

O-RING

SN: 65185-@

1шт.

16

714-17-35280

BRACKET

SN: 65185-@

1шт.

17

01010-81020

BOLT

SN: 65001-@

1шт.

18

01643-31032

WASHER

SN: 65001-@

1шт.

19

01010-81025

BOLT

SN: 65001-@

1шт.

20

01643-31032

WASHER

SN: 65001-@

1шт.

21

7861-93-2330

SENSOR

SN: 65001-@

1шт.

22

01435-01016

BOLT

SN: 65001-@

2шт.

23

600-051-2060

CLIP

SN: 65001-@

1шт.

24

424-06-42483

BRACKET

SN: 65001-65498

1шт.

25

01010-81025

BOLT

SN: 65001-@

2шт.

26

01643-31032

WASHER

SN: 65001-@

2шт.

27

600-051-2100

CLIP

SN: 65001-@

1шт.

28

01435-01016

BOLT

SN: 65001-@

1шт.

Выбрано товаров: 28