Запчасти Komatsu WA430-6 ОСНОВН. КЛАПАН (ЭЛЕКТР.) (ДЛЯ 2-Х СЕКЦИОНН. КЛАПАН)(№-) ГИДРАВЛИКА

Схема запчастей Komatsu WA430-6 - ОСНОВН. КЛАПАН (ЭЛЕКТР.) (ДЛЯ 2-Х СЕКЦИОНН. КЛАПАН)(№-) ГИДРАВЛИКА
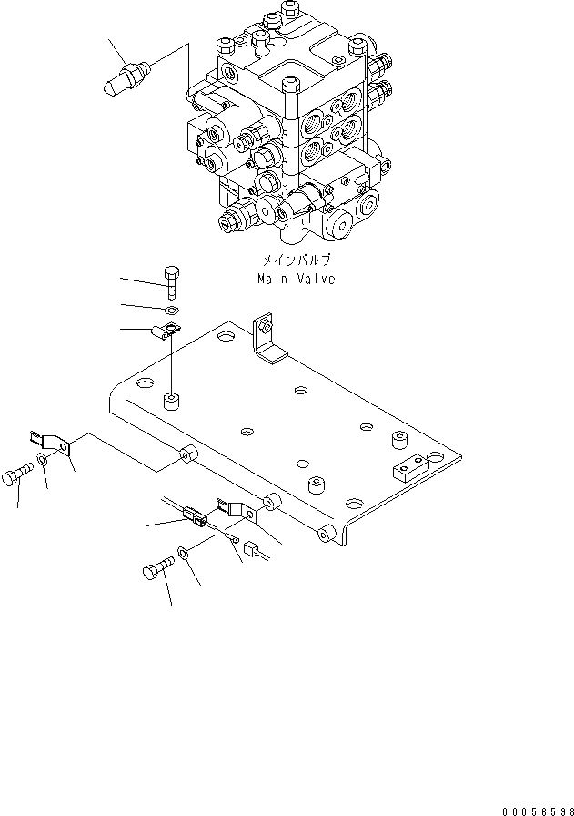
1
2
3
4
5
6
7
8
9
10
11
12
FIT
1:1
100%

Артикул

Название

Примечание

Количество

1

7861-93-1650

SENSOR

SN: 65001-UP

1шт.

2

08192-22830

CONNECTOR

SN: 65001-UP

1шт.

3

08191-00770

PLUG

SN: 65001-UP

2шт.

4

08193-20010

CLIP

SN: 65001-UP

1шт.

5

01010-81020

BOLT

SN: 65001-UP

1шт.

6

01643-31032

WASHER

SN: 65001-UP

1шт.

7

04434-50612

CLIP

SN: 65001-UP

1шт.

8

01010-81020

BOLT

SN: 65001-UP

1шт.

9

01643-31032

WASHER

SN: 65001-UP

1шт.

10

08193-20010

CLIP

SN: 65001-UP

1шт.

11

01010-81020

BOLT

SN: 65001-UP

1шт.

12

01643-31032

WASHER

SN: 65001-UP

1шт.

Выбрано товаров: 12