/ / / / / / РУКОЯТЬ И BELL CRANK (ЭЛЕМЕНТЫ КРЕПЛЕНИЯ)(№-)
Запчасти Komatsu WA430-6 РУКОЯТЬ И BELL CRANK (ЭЛЕМЕНТЫ КРЕПЛЕНИЯ)(№-) РАБОЧЕЕ ОБОРУДОВАНИЕ
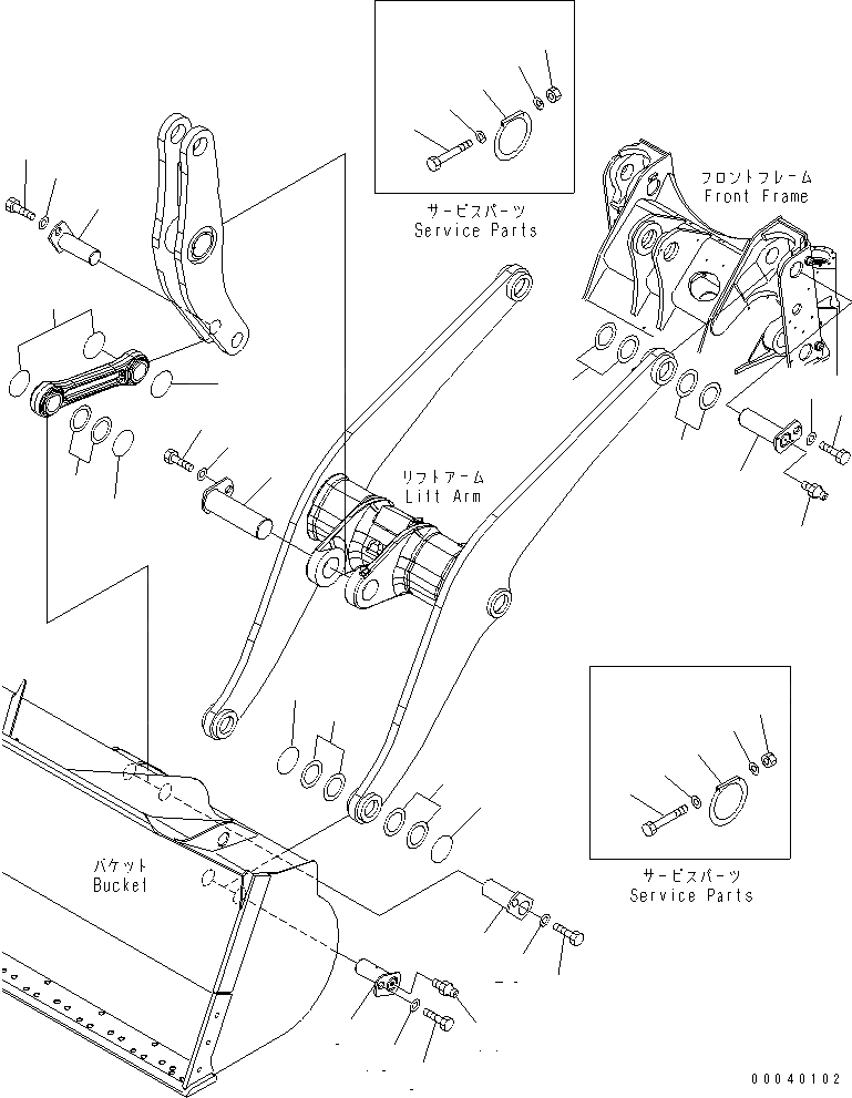
1
2
3
3
4
5
6
7
7
8
8
9
10
11
12
13
14
15
16
17
18
18
18
19
19
20
20
21
21
22
22
22
22
23
23
24
24
1
424-70-11712
PIN
SN: 65001-UP
2шт.
2
07020-00675
FITTING,GREASE
SN: 65001-UP
2шт.
3
423-70-41960
SHIM, 1.0MM
SN: 65001-UP
4шт.
3
423-70-11881
SHIM, 3.0MM
SN: 65001-UP
4шт.
4
01010-81630
BOLT
SN: 65001-UP
2шт.
5
421-70-11280
WASHER
SN: 65001-UP
2шт.
6
424-70-41910
PIN
SN: 65001-UP
2шт.
7
423-70-41950
SHIM, 1.0MM
SN: 65001-UP
4шт.
7
423-70-11811
SHIM, 3.0MM
SN: 65001-UP
2шт.
8
0
O-RING
SN: 65001-UP
4шт.
9
01010-81630
BOLT
SN: 65001-UP
2шт.
10
421-70-11280
WASHER
SN: 65001-UP
2шт.
11
07020-00000
FITTING,GREASE
SN: 65001-UP
2шт.
12
424-70-11960
PIN
SN: 65001-UP
1шт.
13
01010-81630
BOLT
SN: 65001-UP
1шт.
14
421-70-11280
WASHER
SN: 65001-UP
1шт.
15
424-70-11720
PIN
SN: 65001-UP
1шт.
16
423-70-41920
PIN
SN: 65001-UP
1шт.
17
423-70-41950
SHIM, 1.0MM
SN: 65001-UP
2шт.
17
423-70-11811
SHIM, 3.0MM
SN: 65001-UP
1шт.
18
0
O-RING
SN: 65001-UP
4шт.
19
01010-81630
BOLT
SN: 65001-UP
2шт.
20
421-70-11280
WASHER
SN: 65001-UP
2шт.
21
01596-00606
NUT,(SERVICE PARTS)
SN: 65001-UP
8шт.
22
01641-20608
WASHER,(SERVICE PARTS)
SN: 65001-UP
16шт.
23
236-46-13620
BOLT,(SERVICE PARTS)
SN: 65001-UP
8шт.
24
421-70-11410
O-RING,(SERVICE PARTS)
SN: 65001-UP
8шт.
Выбрано товаров: 27