Запчасти Komatsu WA430-6 ГИДРОЦИЛИНДР ПОДЪЕМА (ПАЛЕЦ) (ДЛЯ КАБИНА ДЛЯ 2 ЧЕЛ.) (ДЛЯ СЕВ. АМЕРИКИ)(№-) РАБОЧЕЕ ОБОРУДОВАНИЕ

Схема запчастей Komatsu WA430-6 - ГИДРОЦИЛИНДР ПОДЪЕМА (ПАЛЕЦ) (ДЛЯ КАБИНА ДЛЯ 2 ЧЕЛ.) (ДЛЯ СЕВ. АМЕРИКИ)(№-) РАБОЧЕЕ ОБОРУДОВАНИЕ
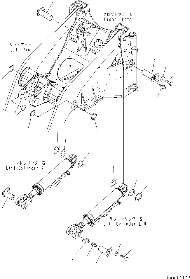
1
1
2
3
3
4
4
4
4
5
6
7
7
8
9
10
11
11
12
12
13
FIT
1:1
100%

Артикул

Название

Примечание

Количество

1

423-70-41710

PIN

SN: 65001-UP

2шт.

2

07020-00900

FITTING,GREASE

SN: 65001-UP

2шт.

3

423-70-41960

SHIM, 1.0MM

SN: 65001-UP

4шт.

4

423-70-11881

SHIM, 3.0MM

SN: 65001-UP

4шт.

5

01010-81630

BOLT

SN: 65001-UP

2шт.

6

421-70-11280

WASHER

SN: 65001-UP

2шт.

7

423-70-31970

PIN

SN: 65001-UP

2шт.

8

01010-81630

BOLT

SN: 65001-UP

2шт.

9

07020-00900

FITTING,GREASE

SN: 65001-UP

2шт.

10

421-70-11280

WASHER

SN: 65001-UP

2шт.

11

423-70-41970

SHIM, 1.5MM

SN: 65001-UP

4шт.

12

421-70-11442

SHIM, 3.0MM

SN: 65001-UP

4шт.

13

423-70-11160

NIPPLE

SN: 65001-UP

2шт.

Выбрано товаров: 13