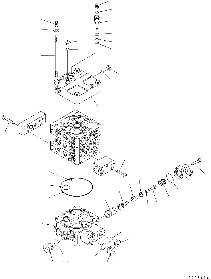
Запчасти Komatsu WA430-6 КОНТРОЛЬНЫЙ КЛАПАН (2-Х СЕЦИОНН.) (ECSS LESS) (/7)(№-) ОСНОВН. КОМПОНЕНТЫ И РЕМКОМПЛЕКТЫ
№
Артикул
Название
Примечание
Количество
|$3
723-53-16302
CONTROL VALVE
SN: 65246-UP
1шт.
|$4
723-53-16301
CONTROL VALVE
SN: 65180-65245
1шт.
|$5
723-53-16300
CONTROL VALVE
SN: 65001-65179
1шт.
|$$4
THESE ASSEMBLIES CONSIST OF ALL PARTS SHOWN IN FIGS.Y1663-11A0 TO Y1663-17A0.
-1шт.
|$7
0
BLOCK GROUP
SN: 65001-UP
1шт.
1
0
BLOCK
SN: 65001-UP
1шт.
2
144-14-54610
O-RING
SN: 65001-UP
1шт.
5
0
SLEEVE
SN: 65001-UP
1шт.
6
0
PISTON
SN: 65001-UP
1шт.
7
723-56-33830
SPRING
SN: 65001-UP
1шт.
11
0
CASE
SN: 65001-UP
1шт.
12
01252-60612
BOLT
SN: 65001-UP
1шт.
13
723-56-32970
RETAINER
SN: 65001-UP
1шт.
14
0
PISTON
SN: 65001-UP
1шт.
15
723-26-15230
PLUG
SN: 65001-UP
1шт.
16
0
O-RING
SN: 65001-UP
1шт.
|$26
0
COVER GROUP
SN: 65001-UP
1шт.
19
0
COVER
SN: 65001-UP
1шт.
20
723-50-11311
PLUG
SN: 65001-UP
1шт.
22
07001-01004
RING
SN: 65001-UP
1шт.
24
708-8E-16160
PLUG
SN: 65001-UP
2шт.
28
723-50-11130
STUD
SN: 65001-UP
4шт.
31
01252-60840
BOLT
SN: 65001-UP
4шт.
32
01252-60860
BOLT
SN: 65001-UP
4шт.
Выбрано товаров: 38