Запчасти Komatsu WA430-6 КОМПОНЕНТЫ ДВИГАТЕЛЯ (ПРОВОДКА) (/) (9A¤ ГЕНЕРАТОР)(№-) КОМПОНЕНТЫ ДВИГАТЕЛЯ

Схема запчастей Komatsu WA430-6 - КОМПОНЕНТЫ ДВИГАТЕЛЯ (ПРОВОДКА) (/) (9A¤ ГЕНЕРАТОР)(№-) КОМПОНЕНТЫ ДВИГАТЕЛЯ
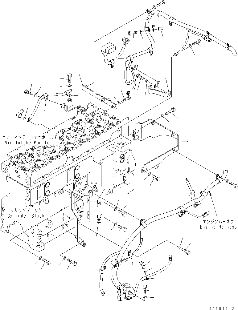
1
2
3
4
5
6
7
8
9
10
11
11
11
12
12
12
13
13
13
14
15
16
17
18
19
20
21
22
23
24
25
26
27
28
29
30
31
32
33
34
35
36
37
FIT
1:1
100%

Артикул

Название

Примечание

Количество

1

424-06-42241

BRACKET

SN: 65001-UP

1шт.

2

01010-81055

BOLT

SN: 65001-UP

2шт.

3

01643-31032

WASHER

SN: 65001-UP

2шт.

4

01010-81030

BOLT

SN: 65001-UP

2шт.

5

01643-31032

WASHER

SN: 65001-UP

2шт.

6

424-06-42630

BRACKET

SN: 65001-UP

1шт.

7

01010-80845

BOLT

SN: 65001-UP

1шт.

8

01643-30823

WASHER

SN: 65001-UP

1шт.

9

01010-80820

BOLT

SN: 65001-UP

1шт.

10

01643-30823

WASHER

SN: 65001-UP

1шт.

11

600-051-2100

CLIP

SN: 65001-UP

3шт.

12

01010-81020

BOLT

SN: 65001-UP

3шт.

13

01643-31032

WASHER

SN: 65001-UP

3шт.

14

04434-51412

CLIP

SN: 65001-UP

1шт.

15

01010-81020

BOLT

SN: 65001-UP

1шт.

16

01643-31032

WASHER

SN: 65001-UP

1шт.

17

424-06-42381

BRACKET

SN: 65001-UP

1шт.

18

01010-80835

BOLT

SN: 65001-UP

2шт.

19

01643-30823

WASHER

SN: 65001-UP

2шт.

20

01010-81020

BOLT

SN: 65001-UP

1шт.

21

01643-31032

WASHER

SN: 65001-UP

1шт.

22

01010-81016

BOLT

SN: 65001-UP

1шт.

23

01643-31032

WASHER

SN: 65001-UP

1шт.

24

01640-20610

WASHER

SN: 65001-UP

1шт.

25

04434-52512

CLIP

SN: 65001-UP

1шт.

26

07095-20318

CUSHION

SN: 65001-UP

1шт.

27

01010-81020

BOLT

SN: 65001-UP

1шт.

28

01643-31032

WASHER

SN: 65001-UP

1шт.

29

600-051-2180

CLIP

SN: 65001-UP

2шт.

30

01010-81020

BOLT

SN: 65001-UP

1шт.

31

01643-31032

WASHER

SN: 65001-UP

1шт.

32

424-01-41560

PLATE

SN: 65001-UP

1шт.

33

01010-81030

BOLT

SN: 65001-UP

1шт.

34

01643-31032

WASHER

SN: 65001-UP

1шт.

35

418-62-23790

SPACER

SN: 65001-UP

1шт.

36

01010-81055

BOLT

SN: 65001-UP

1шт.

37

01643-31032

WASHER

SN: 65001-UP

1шт.

Выбрано товаров: 37