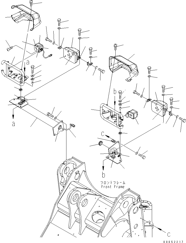
Запчасти Komatsu WA430-6 ПЕРЕДН. ОСВЕЩЕНИЕ(№-) ЭЛЕКТРИКА

Схема запчастей Komatsu WA430-6 - ПЕРЕДН. ОСВЕЩЕНИЕ(№-) ЭЛЕКТРИКА
1
1
1
1
2
2
3
4
5
6
6
7
7
8
9
10
11
11
12
12
13
13
14
14
15
15
16
16
17
17
18
18
19
19
20
21
22
22
22
22
23
23
23
23
24
24
25
26
27
28
29
30
31
32
32
33
33
34
34
35
35
36
36
37
38
39
39
40
40
FIT
1:1
100%

Артикул

Название

Примечание

Количество

1

424-06-43151

WIRING HARNESS

SN: 65001-UP

2шт.

2

08037-03620

GROMMET

SN: 65001-UP

2шт.

3

423-06-43130

BRACKET,L.H.

SN: 65001-UP

1шт.

4

421-06-23552

PLATE

SN: 65001-UP

1шт.

5

421-06-23630

PLATE,L.H.

SN: 65001-UP

1шт.

6

01010-81025

BOLT

SN: 65001-UP

2шт.

7

01643-31032

WASHER

SN: 65001-UP

2шт.

8

423-06-43140

BRACKET,R.H.

SN: 65001-UP

1шт.

9

421-06-23552

PLATE

SN: 65001-UP

1шт.

10

421-06-23640

PLATE,R.H.

SN: 65001-UP

1шт.

11

01010-81025

BOLT

SN: 65001-UP

2шт.

12

01643-31032

WASHER

SN: 65001-UP

2шт.

13

417-54-13470

SPACER

SN: 65001-UP

6шт.

14

419-43-17930

CUSHION

SN: 65001-UP

6шт.

15

415-64-13130

CUSHION

SN: 65001-UP

6шт.

16

419-43-17920

WASHER

SN: 65001-UP

6шт.

17

01010-81250

BOLT

SN: 65001-UP

6шт.

18

08037-03614

GROMMET

SN: 65001-UP

2шт.

19

424-06-43211

LAMP

SN: 65001-UP

2шт.

20

424-06-23220

LENS

SN: 65001-UP

1шт.

21

424-06-23230

BULB, 75/70W

SN: 65001-UP

1шт.

22

01010-80825

BOLT

SN: 65001-UP

4шт.

23

01602-20825

WASHER

SN: 65001-UP

4шт.

24

424-06-43221

LAMP

SN: 65001-UP

2шт.

25

41G-06-13210

LENS,FRONT

SN: 65001-UP

1шт.

26

41G-06-13220

LENS,REAR

SN: 65001-UP

1шт.

27

41G-06-13230

BULB, 5W

SN: 65001-UP

1шт.

28

08105-12420

BULB, 25W

SN: 65001-UP

1шт.

29

01220-40425

SCREW

SN: 65001-UP

4шт.

30

421-06-23611

COVER,L.H.

SN: 65001-UP

1шт.

31

421-06-23621

COVER,R.H.

SN: 65001-UP

1шт.

32

01023-10616

SCREW

SN: 65001-UP

10шт.

33

04434-51010

CLIP

SN: 65001-UP

2шт.

34

04434-50610

CLIP

SN: 65001-UP

2шт.

35

01010-80820

BOLT

SN: 65001-UP

2шт.

36

01643-30823

WASHER

SN: 65001-UP

2шт.

37

424-06-43112

SUPPORT,L.H.

SN: 65001-UP

1шт.

38

424-06-43122

SUPPORT,R.H.

SN: 65001-UP

1шт.

39

01010-81230

BOLT

SN: 65001-UP

6шт.

40

01643-31232

WASHER

SN: 65001-UP

6шт.

Выбрано товаров: 40