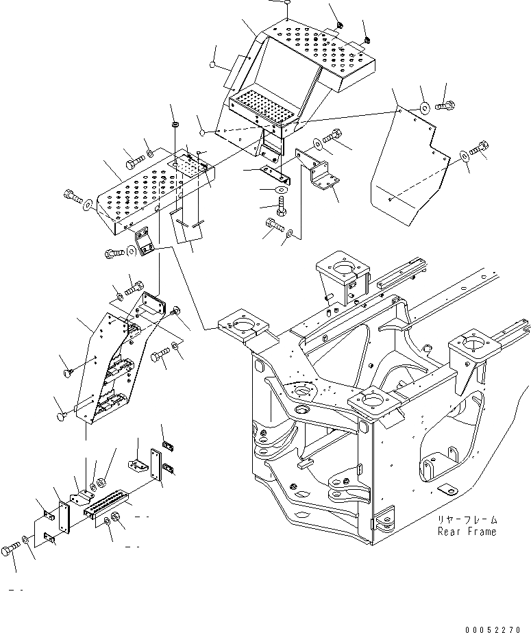
Запчасти Komatsu WA430-6 ЛЕСТНИЦА (ПОЛ ПРАВ.) (ДЛЯ БОЛЬШ. ШИНЫ)(№-) ЧАСТИ КОРПУСА

Схема запчастей Komatsu WA430-6 - ЛЕСТНИЦА (ПОЛ ПРАВ.) (ДЛЯ БОЛЬШ. ШИНЫ)(№-) ЧАСТИ КОРПУСА
1
2
3
3
4
5
6
7
8
8
9
10
11
11
12
12
13
14
15
15
15
16
17
18
18
19
19
20
21
21
22
22
23
24
25
26
26
27
27
27
27
28
29
29
30
30
30
31
31
32
FIT
1:1
100%

Артикул

Название

Примечание

Количество

1

424-54-44822

FLOOR,R.H.

SN: 65001-UP

1шт.

2

421-54-44582

FLOOR,R.H.

SN: 65024-UP

1шт.

2

421-54-44581

FLOOR,R.H.

SN: 65001-65023

1шт.

3

423-54-44390

HINGE (WELDED)

SN: 65001-UP

2шт.

4

01010-D1230

BOLT

SN: 65001-UP

4шт.

5

01643-71232

WASHER

SN: 65001-UP

4шт.

6

423-54-41330

BRACKET,R.H.

SN: 65001-UP

1шт.

7

423-54-44140

BRACKET

SN: 65001-UP

1шт.

8

01010-D1230

BOLT

SN: 65001-UP

4шт.

9

01010-D1230

BOLT

SN: 65001-UP

2шт.

10

01643-71232

WASHER

SN: 65001-UP

2шт.

11

421-03-31590

WASHER

SN: 65001-UP

4шт.

12

421-54-22990

PLUG

SN: 65001-UP

4шт.

13

418-54-22190

CUSHION

SN: 65001-UP

3шт.

14

08037-02512

GROMMET

SN: 65001-UP

1шт.

15

426-56-21990

PLUG

SN: 65001-UP

4шт.

16

09415-00506

CAP

SN: 65001-UP

1шт.

17

423-54-44850

LADDER

SN: 65001-UP

1шт.

18

01010-D1235

BOLT

SN: 65001-UP

4шт.

19

01643-71232

WASHER

SN: 65001-UP

4шт.

20

424-54-44780

SHEET,R.H.

SN: 65001-UP

1шт.

21

01010-D1025

BOLT

SN: 65001-UP

6шт.

22

421-54-34550

WASHER

SN: 65001-UP

6шт.

23

424-54-44891

STEP

SN: 65001-UP

1шт.

24

424-54-44951

PLATE

SN: 65001-UP

1шт.

25

424-54-44951

PLATE

SN: 65001-UP

1шт.

26

424-54-44881

RUBBER

SN: 65001-UP

2шт.

27

428-T86-1650

PLATE

SN: 65001-UP

4шт.

28

01010-D1045

BOLT

SN: 65001-UP

8шт.

29

01596-01009

NUT

SN: 65001-UP

8шт.

30

01643-71032

WASHER

SN: 65001-UP

16шт.

31

22L-46-12150

CAP

SN: 65001-UP

2шт.

32

416-54-34230

PLUG

SN: 65001-UP

2шт.

Выбрано товаров: 33