Запчасти Komatsu WA430-6 МОТОР ВЕНТИЛЯТОРА (/)(№-) ОСНОВН. КОМПОНЕНТЫ И РЕМКОМПЛЕКТЫ

Схема запчастей Komatsu WA430-6 - МОТОР ВЕНТИЛЯТОРА (/)(№-) ОСНОВН. КОМПОНЕНТЫ И РЕМКОМПЛЕКТЫ
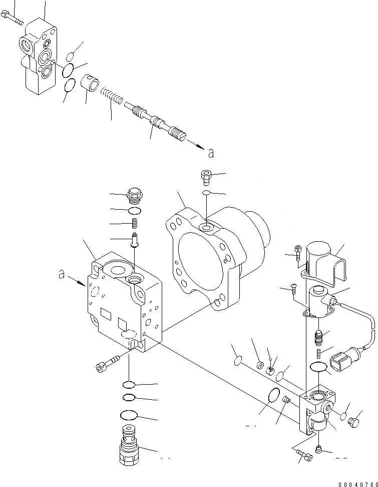
1
2
3
4
5
6
7
8
9
10
11
12
13
14
15
16
17
18
19
20
21
22
23
24
25
26
27
28
29
30
31
32
33
34
35
36
37
38
39
FIT
1:1
100%

Артикул

Название

Примечание

Количество

|$1

708-7S-00550

MOTOR ASS'Y

SN: 65001-UP

1шт.

|$$2

THIS ASSEMBLY CONSISTS OF ALL PARTS SHOWN IN FIGS.Y1642-01A0 AND Y1642-02A0.

-1шт.

1

0

CASE

SN: 65001-UP

1шт.

2

07040-11007

PLUG

SN: 65001-UP

1шт.

3

07002-21023

O-RING

SN: 65001-UP

1шт.

|$7

0

COVER SUB ASS'Y

SN: 65001-UP

1шт.

4

0

COVER,END

SN: 65001-UP

1шт.

5

0

VALVE

SN: 65001-UP

1шт.

6

0

SPRING

SN: 65001-UP

1шт.

7

0

PLUG

SN: 65001-UP

1шт.

8

07002-21823

O-RING

SN: 65001-UP

1шт.

9

0

SPOOL

SN: 65001-UP

1шт.

10

0

SPRING

SN: 65001-UP

1шт.

11

0

SPACER

SN: 65001-UP

1шт.

12

0

COVER

SN: 65001-UP

1шт.

13

07000-E2020

O-RING

SN: 65001-UP

1шт.

14

07000-E2025

O-RING

SN: 65001-UP

1шт.

15

07000-E2012

O-RING

SN: 65001-UP

1шт.

16

01252-60845

BOLT

SN: 65001-UP

4шт.

|$21

0

PILOT VALVE ASS'Y

SN: 65001-UP

1шт.

17

0

SOLENOID

SN: 65001-UP

1шт.

18

0

O-RING

SN: 65001-UP

1шт.

19

0

CASE

SN: 65001-UP

1шт.

20

0

SPOOL

SN: 65001-UP

1шт.

21

0

SPRING

SN: 65001-UP

1шт.

22

0

PLUG

SN: 65001-UP

1шт.

23

01252-60616

BOLT

SN: 65001-UP

2шт.

24

0

O-RING

SN: 65001-UP

1шт.

25

0

FILTER

SN: 65001-UP

1шт.

26

0

SCREW

SN: 65001-UP

2шт.

27

07000-F1008

O-RING

SN: 65001-UP

1шт.

28

0

O-RING

SN: 65001-UP

1шт.

29

07040-11007

PLUG

SN: 65001-UP

1шт.

30

07002-21023

O-RING

SN: 65001-UP

1шт.

31

708-2L-29460

ORIFICE

SN: 65001-UP

1шт.

32

0

COVER

SN: 65001-UP

1шт.

33

708-7S-18480

VALVE

SN: 65001-UP

1шт.

34

0

BALL

SN: 65001-UP

1шт.

35

01252-60825

BOLT

SN: 65001-UP

4шт.

36

708-7T-02281

VALVE ASS'Y,RELIEF

SN: 65204-UP

1шт.

36

708-7T-02280

VALVE ASS'Y,RELIEF

SN: 65001-65203

1шт.

37

07000-F2016

O-RING

SN: 65001-UP

1шт.

38

07001-02016

RING

SN: 65001-UP

1шт.

39

07002-12434

O-RING

SN: 65001-UP

1шт.

Выбрано товаров: 44