Запчасти Komatsu WA430-6 ТРУБКИ КОНДИЦИОНЕРА, КОМПРЕССОР (№-) ТРУБКИ КОНДИЦИОНЕРА, С КОНДИЦИОНЕРОМ

Схема запчастей Komatsu WA430-6 - ТРУБКИ КОНДИЦИОНЕРА, КОМПРЕССОР (№-) ТРУБКИ КОНДИЦИОНЕРА, С КОНДИЦИОНЕРОМ
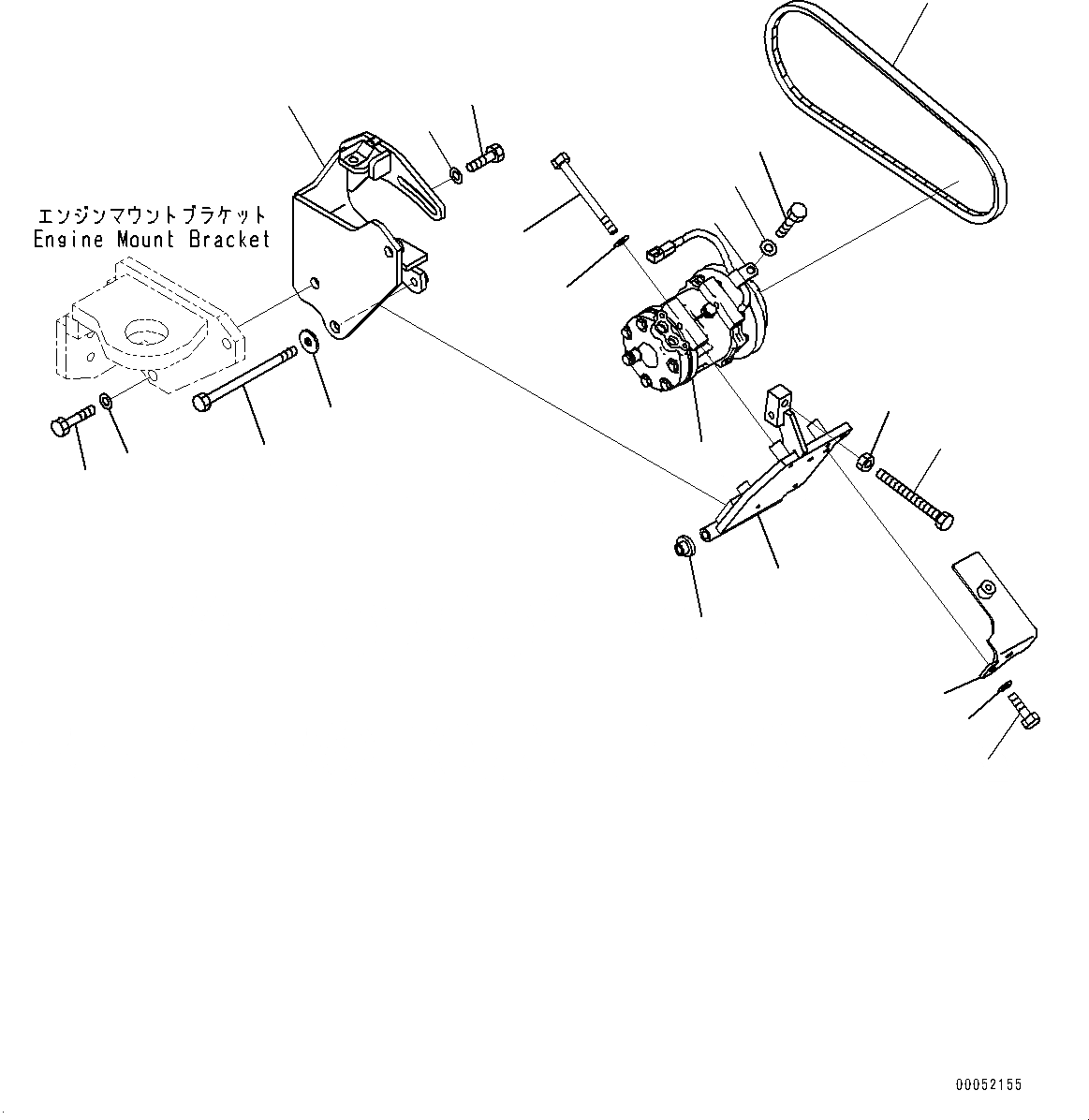
1
2
3
4
5
6
7
8
9
10
11
12
13
14
15
16
17
18
19
20
21
FIT
1:1
100%

Артикул

Название

Примечание

Количество

1

423-S62-4330

Compressor Assembly

SN: 65501-@

1шт.

2

424-S62-4112

Bracket

SN: 65501-@

1шт.

3

01010-81445

Bolt

SN: 65501-@

2шт.

4

01643-31445

Washer, Flat

SN: 65501-@

2шт.

5

424-S62-4122

Bracket

SN: 65501-@

1шт.

6

419-07-11761

Collar

SN: 65501-@

1шт.

7

424-S62-4290

Bolt

SN: 65501-@

1шт.

8

124-54-26540

Washer

SN: 65501-@

1шт.

9

424-S62-4310

Bolt

SN: 65501-@

4шт.

10

01643-30823

Washer

SN: 65501-@

4шт.

11

01017-51430

Bolt

SN: 65501-@

1шт.

12

01580-11411

Nut

SN: 65501-@

1шт.

13

01010-81240

Bolt

SN: 65501-@

1шт.

14

01643-31232

Washer

SN: 65501-@

1шт.

15

424-S62-4142

Bracket

SN: 65501-65541

1шт.

16

01010-81025

Bolt

SN: 65501-@

2шт.

17

01643-31032

Washer

SN: 65501-@

2шт.

18

600-051-2100

Clip

SN: 65501-@

1шт.

19

01010-81020

Bolt

SN: 65501-@

1шт.

20

01643-31032

Washer

SN: 65501-@

1шт.

21

04120-21746

V-belt

SN: 65501-@

1шт.

Выбрано товаров: 21