/ / / / / / / ЭЛЕКТРИЧ. CONVERTER ДЛЯ VOLT ИСТОЧНИК ТОКА (№-)
Запчасти Komatsu WA430-6 ЭЛЕКТРИЧ. CONVERTER ДЛЯ VOLT ИСТОЧНИК ТОКА (№-) ЭЛЕКТРИЧ. CONVERTER ДЛЯ VOLT ИСТОЧНИК ТОКА
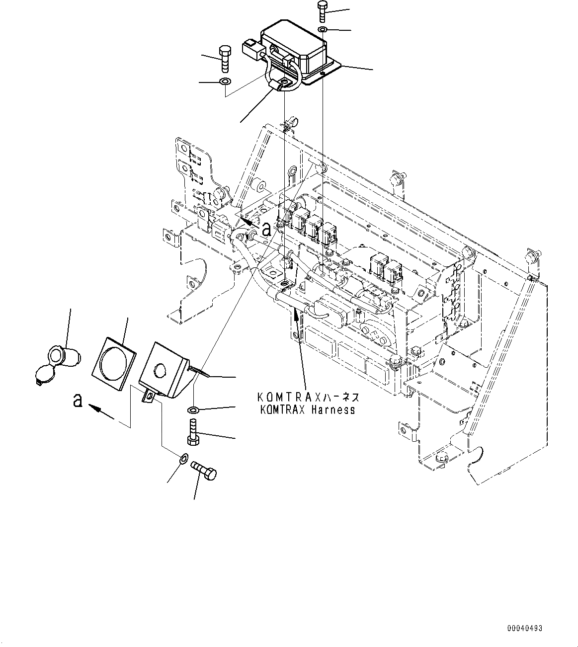
1
2
3
4
5
6
7
8
9
10
11
6
7
1
22U-06-22251
Converter
SN: 65501-UP
1шт.
2
01010-80616
Bolt
SN: 65501-UP
2шт.
3
01643-30623
Washer
SN: 65501-UP
2шт.
4
198-Z11-2640
Socket Assembly
SN: 65501-UP
1шт.
5
423-06-42611
Bracket
SN: 65501-UP
1шт.
6
01010-81020
Bolt
SN: 65501-UP
2шт.
7
01643-31032
Washer
SN: 65501-UP
2шт.
8
423-06-42871
Sheet
SN: 65501-UP
1шт.
9
04434-50810
Clip
SN: 65501-UP
1шт.
10
01010-81020
Bolt
SN: 65501-UP
1шт.
11
01643-31032
Washer
SN: 65501-UP
1шт.
Выбрано товаров: 0