Запчасти Komatsu WA430-6 КАПОТ, ДЕФЛЕКТОР (/) (№-) КАПОТ, С УДЛИНН. ВПУСК ВОЗДУХА, КРЫШКА ТИП, ЗАДН. ПОЛН. КРЫЛО, ДЛЯ КРОМЕ ЯПОН.

Схема запчастей Komatsu WA430-6 - КАПОТ, ДЕФЛЕКТОР (/) (№-) КАПОТ, С УДЛИНН. ВПУСК ВОЗДУХА, КРЫШКА ТИП, ЗАДН. ПОЛН. КРЫЛО, ДЛЯ КРОМЕ ЯПОН.
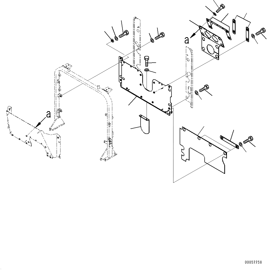
1
2
3
4
5
6
7
8
9
10
11
12
13
14
15
16
18
19
20
9
10
17
FIT
1:1
100%

Артикул

Название

Примечание

Количество

1

424-54-41450

Plate

SN: 65501-@

2шт.

2

01010-D1020

Bolt

SN: 65501-@

4шт.

3

01643-71032

Washer

SN: 65501-@

4шт.

4

424-54-41561

Cover

SN: 65501-@

1шт.

5

01010-D1020

Bolt

SN: 65501-@

4шт.

6

01643-71032

Washer

SN: 65501-@

4шт.

7

424-54-41492

Sheet

SN: 65501-@

1шт.

8

424-54-41422

Cover

SN: 65501-65504

1шт.

9

01010-D1020

Bolt

SN: 65501-@

5шт.

10

01643-71032

Washer

SN: 65501-@

5шт.

11

20Y-54-12550

Collar

SN: 65501-@

4шт.

12

01010-D1025

Bolt

SN: 65501-@

4шт.

13

01643-71032

Washer

SN: 65501-@

4шт.

14

424-54-41441

Sheet

SN: 65501-@

1шт.

15

424-54-41391

Plate

SN: 65501-@

1шт.

16

01010-D1020

Bolt

SN: 65501-@

2шт.

17

01643-71032

Washer

SN: 65501-@

2шт.

18

424-54-41481

Plate

SN: 65501-@

2шт.

19

01010-D1020

Bolt

SN: 65501-@

4шт.

20

01643-71032

Washer

SN: 65501-@

4шт.

Выбрано товаров: 20