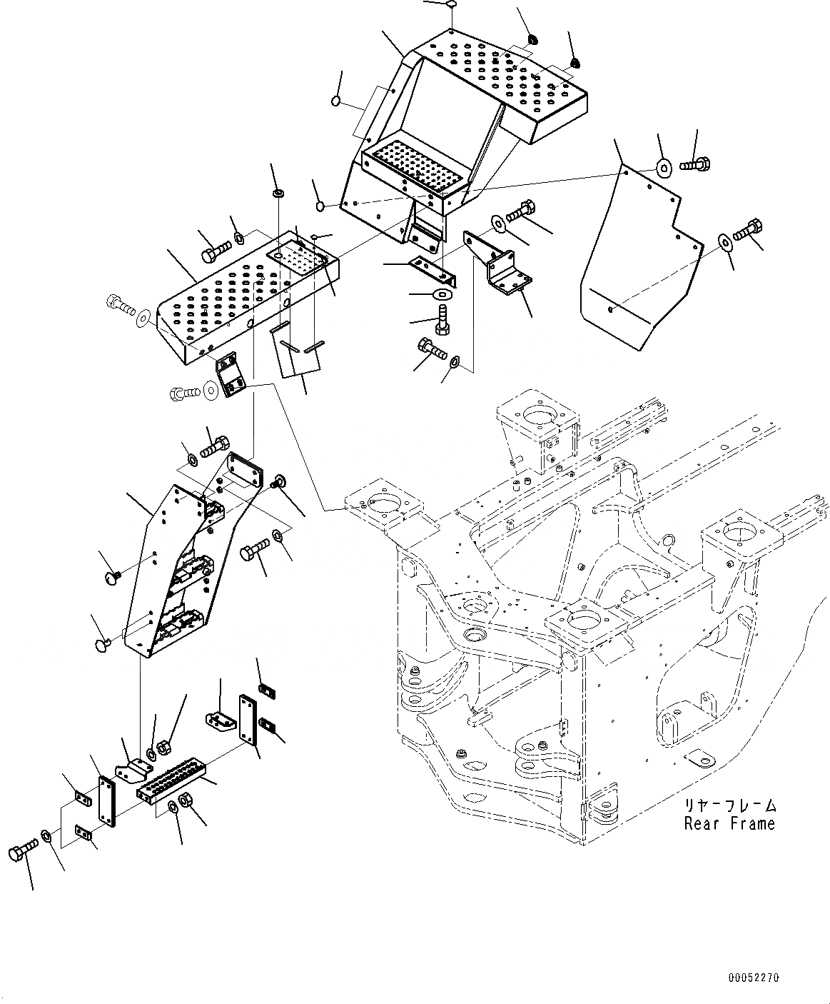
Запчасти Komatsu WA430-6 ЛЕСТНИЦА, ПРАВ. (№-) ЛЕСТНИЦА, ДЛЯ ШИР. ШИНЫ

Схема запчастей Komatsu WA430-6 - ЛЕСТНИЦА, ПРАВ. (№-) ЛЕСТНИЦА, ДЛЯ ШИР. ШИНЫ
22
21
15
15
12
11
8
1
6
7
8
9
10
11
12
15
20
21
22
29
30
27
27
26
27
30
2
4
5
17
18
19
23
24
25
26
27
28
29
30
31
32
19
18
31
3
16
14
3
13
FIT
1:1
100%

Артикул

Название

Примечание

Количество

1

424-54-44822

Floor

SN: 65501-UP

1шт.

2

421-54-44582

Floor

SN: 65501-UP

1шт.

3

423-54-44390

Hinge,Welded

SN: 65501-UP

2шт.

4

01010-D1230

Bolt

SN: 65501-UP

4шт.

5

01643-71232

Washer

SN: 65501-UP

4шт.

6

423-54-41330

Bracket

SN: 65501-UP

1шт.

7

423-54-44140

Bracket

SN: 65501-UP

1шт.

8

01010-D1230

Bolt

SN: 65501-UP

4шт.

9

01010-D1230

Bolt

SN: 65501-UP

2шт.

10

01643-71232

Washer

SN: 65501-UP

2шт.

11

421-03-31590

Washer

SN: 65501-UP

4шт.

12

421-54-22990

Plug

SN: 65501-UP

4шт.

13

418-54-22190

Cushion

SN: 65501-UP

3шт.

14

08037-02512

Grommet

SN: 65501-UP

1шт.

15

426-56-21990

Plug

SN: 65501-UP

4шт.

16

09415-00506

Cap

SN: 65501-UP

1шт.

17

423-54-44850

Ladder

SN: 65501-UP

1шт.

18

01010-D1235

Bolt

SN: 65501-UP

4шт.

19

01643-71232

Washer

SN: 65501-UP

4шт.

20

424-54-44780

Sheet

SN: 65501-UP

1шт.

21

01010-D1025

Bolt

SN: 65501-UP

6шт.

22

421-54-34550

Washer

SN: 65501-UP

6шт.

23

424-54-44891

Step

SN: 65501-UP

1шт.

24

424-54-44951

Plate

SN: 65501-UP

1шт.

25

424-54-44951

Plate

SN: 65501-UP

1шт.

26

424-54-44881

Rubber

SN: 65501-UP

2шт.

27

428-T86-1650

Plate

SN: 65501-UP

4шт.

28

01010-D1045

Bolt

SN: 65501-UP

8шт.

29

01596-01009

Nut, Flanged

SN: 65501-UP

8шт.

30

01643-71032

Washer

SN: 65501-UP

16шт.

31

22L-46-12150

Cap

SN: 65501-UP

4шт.

32

416-54-34230

Plug

SN: 65501-UP

2шт.

Выбрано товаров: 32