Запчасти Komatsu WA430-6 ПРОТИВОВЕС (№-) ПРОТИВОВЕС, С ДОПОЛН. ПРОТИВОВЕС

Схема запчастей Komatsu WA430-6 - ПРОТИВОВЕС (№-) ПРОТИВОВЕС, С ДОПОЛН. ПРОТИВОВЕС
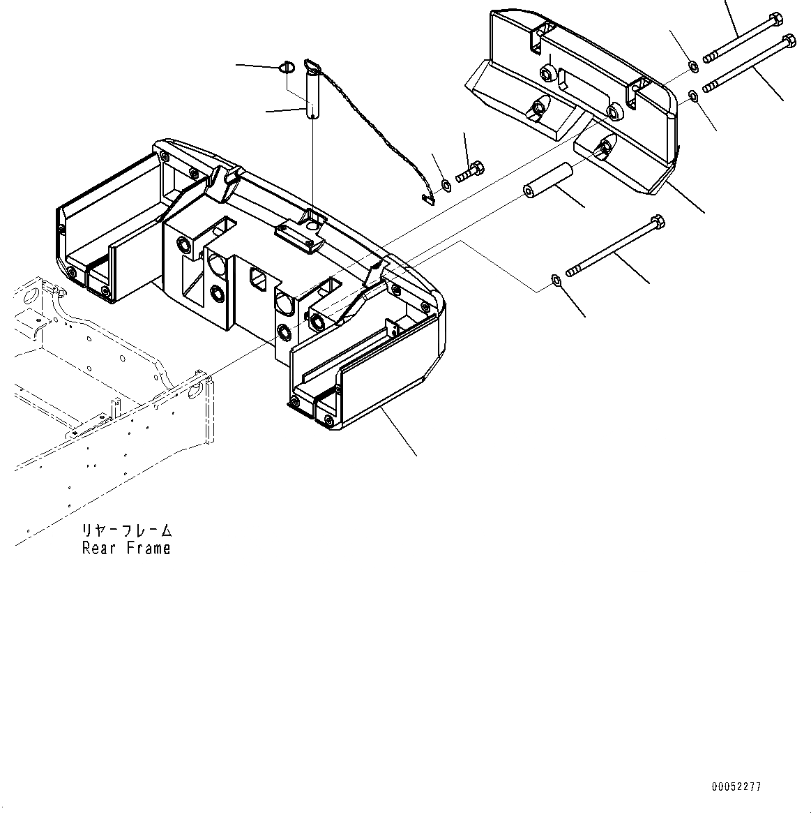
1
9
10
12
11
8
3
2
4
5
6
7
13
FIT
1:1
100%

Артикул

Название

Примечание

Количество

1

424-46-45111

Counterweight

SN: 65501-UP

1шт.

2

418-975-1210

Bolt

SN: 65501-UP

2шт.

3

22X-22-11280

Washer

SN: 65501-UP

2шт.

4

423-975-4120

Bolt

SN: 65501-UP

2шт.

5

22X-22-11280

Washer

SN: 65501-UP

2шт.

6

423-975-2210

Spacer

SN: 65501-UP

2шт.

7

419-975-2110

Bolt

SN: 65501-UP

2шт.

8

22X-22-11280

Washer

SN: 65501-UP

2шт.

9

423-46-45121

Pin

SN: 65501-UP

1шт.

9

09245-04875

Chain

SN: 65501-UP

1шт.

9

09245-50060

Hook

SN: 65501-UP

3шт.

10

426-46-12280

Pin, Linch

SN: 65501-UP

1шт.

11

01010-81020

Bolt

SN: 65501-UP

1шт.

12

01643-31032

Washer

SN: 65501-UP

1шт.

13

423-975-3131

Counterweight, 310Kg

SN: 65509-UP

1шт.

13

423-975-3130

Counterweight

SN: 65501-65508

1шт.

Выбрано товаров: 0