Запчасти Komatsu WA430-6 РАДИАТОР, МАСЛООХЛАДИТЕЛЬ И КРЕПЛЕНИЕ (№-) РАДИАТОР, С КОНДИЦИОНЕРОМ

Схема запчастей Komatsu WA430-6 - РАДИАТОР, МАСЛООХЛАДИТЕЛЬ И КРЕПЛЕНИЕ (№-) РАДИАТОР, С КОНДИЦИОНЕРОМ
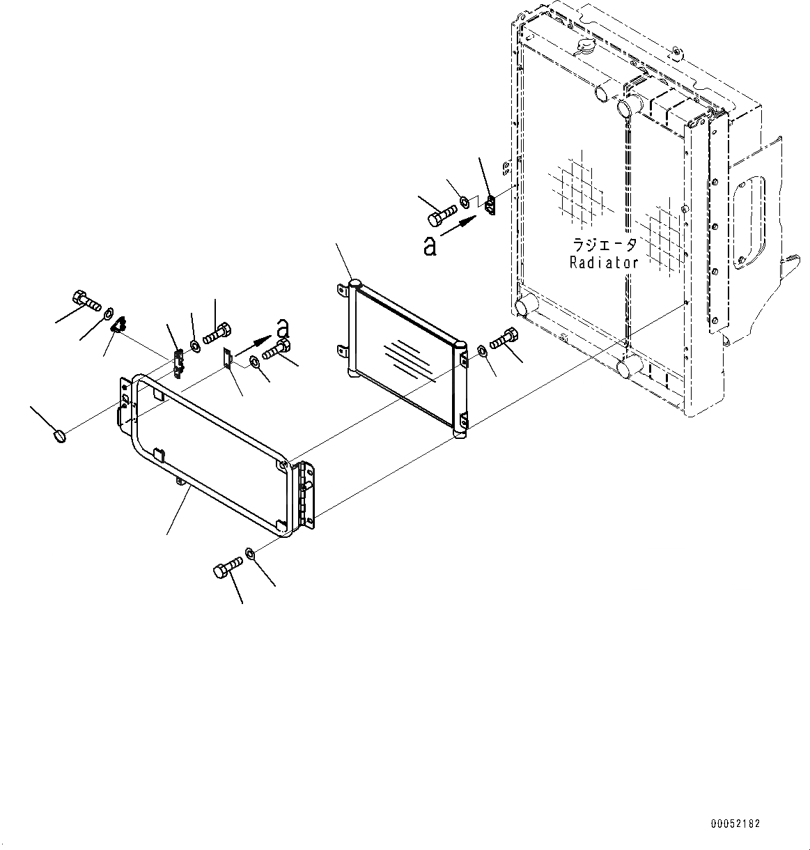
1
2
3
4
5
6
7
8
9
10
11
12
13
14
15
16
17
17
16
FIT
1:1
100%

Артикул

Название

Примечание

Количество

1

424-03-41221

Hydraulic Oil Cooler Assembly

SN: 65501-UP

1шт.

2

01010-81020

Bolt

SN: 65501-UP

4шт.

3

01643-31032

Washer

SN: 65501-UP

4шт.

4

424-03-41211

Bracket

SN: 65501-UP

1шт.

5

01010-81225

Bolt

SN: 65501-UP

2шт.

6

01643-31232

Washer

SN: 65501-UP

2шт.

7

419-54-H1780

Lock

SN: 65501-UP

1шт.

8

419-54-H1900

Grip

SN: 65501-UP

1шт.

9

01010-80820

Bolt

SN: 65501-UP

2шт.

10

01643-30823

Washer

SN: 65501-UP

2шт.

11

424-03-41280

Striker

SN: 65501-UP

1шт.

12

01010-81025

Bolt

SN: 65501-UP

2шт.

13

01643-31032

Washer

SN: 65501-UP

2шт.

14

566-54-23460

Dovetail, Tail

SN: 65501-UP

1шт.

15

566-54-23470

Dovetail, Tail (B)

SN: 65501-UP

1шт.

16

01010-80616

Bolt

SN: 65501-UP

4шт.

17

01643-30623

Washer

SN: 65501-UP

4шт.

Выбрано товаров: 17