Запчасти Komatsu WA430-6 ГИДРОТРАНСФОРМАТОР И ТРАНСМИССИЯ, СИСТЕМА ТРУБ ОХЛАЖДЕНИЯ (№-7) ГИДРОТРАНСФОРМАТОР И ТРАНСМИССИЯ, БЕЗ ЭКСТРЕНН. РУЛЕВ. УПРАВЛЕНИЕ

Схема запчастей Komatsu WA430-6 - ГИДРОТРАНСФОРМАТОР И ТРАНСМИССИЯ, СИСТЕМА ТРУБ ОХЛАЖДЕНИЯ (№-7) ГИДРОТРАНСФОРМАТОР И ТРАНСМИССИЯ, БЕЗ ЭКСТРЕНН. РУЛЕВ. УПРАВЛЕНИЕ
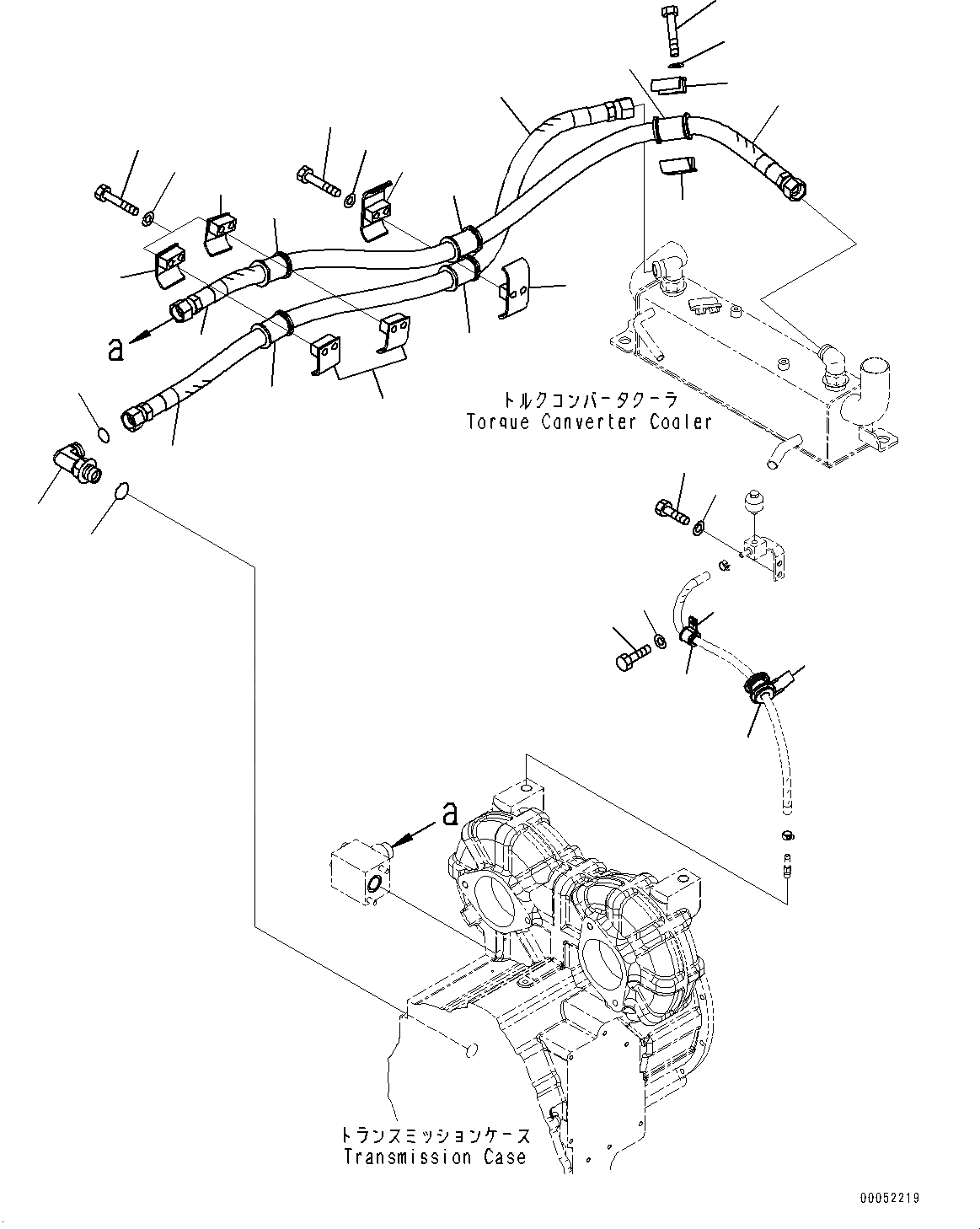
3
7
4
5
7
6
11
10
8
9
6
6
12
13
10
11
1
6
2
8
9
6
7
1
2
16
17
19
18
21
20
15
14
FIT
1:1
100%

Артикул

Название

Примечание

Количество

1

424-09-41131

Hose

SN: 65501-@

1шт.

2

424-09-41122

Hose

SN: 65501-65667

1шт.

3

421-09-31210

Elbow

SN: 65501-@

1шт.

4

07002-23334

O-ring

SN: 65501-@

1шт.

5

421-09-31140

O-ring

SN: 65501-@

2шт.

6

07094-11024

Clamp

SN: 65501-@

6шт.

7

07095-01035

Cushion

SN: 65501-65667

3шт.

8

01010-81285

Bolt

SN: 65501-@

6шт.

9

01643-31232

Washer

SN: 65501-@

6шт.

10

07094-31024

Clamp

SN: 65501-@

2шт.

11

07095-01035

Cushion

SN: 65501-65667

2шт.

12

01010-81285

Bolt

SN: 65501-@

2шт.

13

01643-31232

Washer

SN: 65501-@

2шт.

14

01010-81020

Bolt

SN: 65501-@

2шт.

15

01643-31032

Washer

SN: 65501-@

2шт.

16

07095-00420

Cushion

SN: 65501-@

1шт.

17

08034-20519

Band

SN: 65501-@

2шт.

18

04434-52310

Clip

SN: 65501-@

1шт.

19

07095-20318

Cushion

SN: 65501-@

1шт.

20

01010-81025

Bolt

SN: 65501-@

1шт.

21

01643-31032

Washer

SN: 65501-@

1шт.

Выбрано товаров: 21